「電気回路」とは、電気が流れる道筋、あるいはその流れを制御するために設計されたシステムのこと。
身の回りにあるあらゆる電気製品や、社会を支える電力システムは、すべて電気回路によって成り立っている。
電気回路の基本的な構成要素

電気回路は、主に以下の3つの要素によって構成される。
電源 (Power Source)
電気エネルギーを供給する源。
直流 (DC: Direct Current)
電流の向きと大きさが常に一定の電気です。
電池、バッテリー、太陽電池などが直流電源の代表例。
交流 (AC: Alternating Current)
電流の向きと大きさが周期的に変化する電気。
家庭のコンセントから供給される電力や発電所で作られる電力が代表例。
導線 (Conductor)
電気を流すための材料。
銅やアルミニウムなどの金属が使われる。
電気抵抗が非常に低い(理想的にはゼロ)ため、電流を効率よく伝えやすい。
負荷・抵抗 (Load / Resistor):
電気エネルギーを消費して
光(電球)、熱(ヒーター)、運動(モーター)などに変換する部品のこと。
「抵抗」は、電流の流れを妨げる性質を持ち、単位はオーム(Ω)。
この3つの要素が、スイッチなどを介してつながり、閉じた輪(閉回路)となることで
電気が流れることができる。
スイッチが開いている状態(開回路)では、電流は流れない。
電気回路の基本的な物理量と法則

電気回路を理解する上で不可欠な3つの物理量と、それらの関係を示す法則がある。
電気回路で用いる物理量
- 電圧 (Voltage, V):
- 電気を流そうとする「圧力」や「勢い」のようなもの。電位差とも呼ばれる。
- 単位はボルト(V)。
- 電流 (Current, I):
- 電荷の流れの量。単位時間あたりに流れる電荷の量で表される。
- 単位はアンペア(A)。
- 抵抗 (Resistance, R):
- 電流の流れにくさを示す指標。
- 単位はオーム(Ω)です。
電気回路で用いる法則
- オームの法則 (Ohm’s Law):
「電圧は電流と抵抗の積に等しい」という関係を示す。- V=I×R
※この法則は、直流回路の基本的な計算に用いられます。
- V=I×R
- キルヒホッフの法則 (Kirchhoff’s Laws):
- 複雑な電気回路の電圧や電流を解析するための法則。
●第一法則(電流則, KCL: Kirchhoff’s Current Law)
回路の任意の分岐点(節点)において、流れ込む電流の総和と、流れ出る電流の総和は等しい
(つまり、節点における電流の代数和はゼロ)。これは電荷保存の法則に基づいている。 - 第二法則(電圧則, KVL: Kirchhoff’s Voltage Law)
回路の任意の閉じた経路(閉路)において、電圧の上昇の総和と
電圧の降下の総和は等しい(つまり、閉路における電圧の代数和はゼロ)。
※エネルギー保存の法則に基づいている。
- 複雑な電気回路の電圧や電流を解析するための法則。

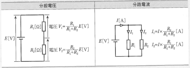
回路の種類:直列回路と並列回路

抵抗や他の部品の接続方法によって、電気回路は大きく2つに分類される。
直列回路 (Series Circuit)
部品が一本の道筋に数珠つなぎに接続されている回路。
●電流: 回路のどの点でも電流は同じ。
●電圧: 各部品にかかる電圧の合計が、電源電圧と等しくなる。
●合成抵抗: 各抵抗の値を単純に足し合わせることで求められる (Rtotal=R1+R2+…)。
例:昔のクリスマスツリーの電飾(一つ切れると全部消えるタイプ)、懐中電灯の電池。
並列回路 (Parallel Circuit)
部品が枝分かれした複数の道筋に接続されている回路。
●電流: 各枝に流れる電流の合計が、電源から流れる電流と等しくなる。
●電圧: 各枝にかかる電圧はすべて同じで、電源電圧と等しくなる。
●合成抵抗: 抵抗の逆数の合計の逆数で求められる (Rtotal1=R11+R21+…)。
例:家庭のコンセントに繋がれた電化製品、現在のクリスマスツリーの電飾(一つ切れても他は点灯するタイプ)。
電力とエネルギーの関係性について

- 電力 (Power, P):
- 単位時間あたりに消費または供給される電気エネルギーの量。
電気製品の動作の速さや明るさなどを示す指標です。 - 単位はワット(W)。
- P=V×I=I2×R=RV2
- 単位時間あたりに消費または供給される電気エネルギーの量。
- 電力量 (Energy, E):
- ある時間で消費された電気エネルギーの総量。
- 単位はジュール(J)またはワット時(Wh)、キロワット時(kWh)です。
- E=P×t (tは時間)
電気回路の応用分野

- 家電製品: テレビ、冷蔵庫、スマートフォンなど、すべての電気製品の内部に電気回路が組み込まれいる。
- 情報通信: コンピュータ、インターネット、携帯電話など、情報の送受信や処理には複雑な電気回路が不可欠。
- 電力システム: 発電、送電、配電、家庭への供給に至るまでの電力網全体が巨大な電気回路。
- 自動車: エンジン制御、インフォテイメントシステム、安全装置など
現代の自動車は多くの電気回路に依存している。 - 医療機器: 診断装置(MRI、CT)、治療機器(ペースメーカー)、手術用機器など
生命に関わる分野でも電気回路が活躍している。 - 産業機器: 工場の自動化システム、ロボット、計測機器など、生産効率向上に貢献している。
- 再生可能エネルギー: 太陽光発電や風力発電など、自然エネルギーを電気に変換し
系統に接続する際にも電気回路の技術が用いられる。

コメント