目次
電流トリップ補助箱(CF-15A)の役割

電流トリップ(引き外し)方式の遮断器を用いる時
地絡継電器(HGRやDGR)を組合せて電路を保護するために使用される
※地絡継電器の多くが電圧引き外し方式であり、電流トリップ補助箱を用いなければ
遮断器の引き外しを行う事ができないため
光商工製電流トリップ補助箱(CF-15A)が必要な設備
電流引き外し方式の場合
●LDG-71・73, LEG-107・108, LEG-109, LEG-192 等の電圧引き外し方式の機種を
常時閉路形OCRで、トリップコイルを過負荷と地絡に兼用する電流引き外し方式で使用する場合は
CF-15Aを必要とします。
LDG-71K・73K, LEG-191 は電流引き外し方式なので不要。
電流トリップ補助箱(CF-15A)の仕様

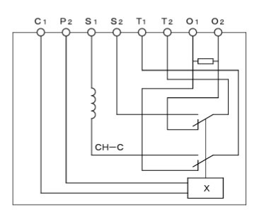
電流トリップ補助箱(CF-15A)の内部接続図

電流トリップ補助箱(CF-15A)の端子配列例

電流トリップ補助箱(CF-15A)の外部接続例

実務での体験談
VCBによる52a接点が電流引き外し方式のVCBにはない場合が多い(伝聞のため、エビデンスなし)
DGRが自己保持形式の場合
単体試験を実施すると試験後も電流が流れ続けてしまい
トリップコイルが焼損する危険性がある。
年次点検時の電流トリップ補助箱(CF-15A)への主な疑問点と注意点

疑問点
- VCB52aの有無はどこで確認するのか→取説を見るのが最適解だが年次のたびに調べるのは面倒くさい
注意点
- 補助トリップ箱に必要な電源電圧P1-P2とS1-S2のAC100Vは
VCBより上流のVTor、VCBの下流である変圧器2次側から供給されているのか現場によって異なるので
注意が必要。
参考資料
chrome-extension://efaidnbmnnnibpcajpcglclefindmkaj/https://www.hikari-gr.co.jp/dcms_media/other/CF-15A.pdf
補助継電器 (電流引き外し用) CF-15A より引用

コメント