スコットトランスについて概略

スコット結線変圧器の二次側は位相の90度異なった2つの単相回路が得られる。
特に、三相の不平衡を避けながら単相負荷に電力を供給したい場合に用いられる。
2つの単相負担が等しいとき一次側は平衡三相電流となるため
電源側の三相発電機に悪影響を与えることなく、ビル・工場などの非常用電源として使用される。

図:スコットトランスの使用例
スコットトランスの原理

スコットトランスは
M座変圧器(主座変圧器)とT座変圧器(T座変圧器)の2台の単相変圧器を組み合わせて構成される。

M座変圧器(主座変圧器)
三相電源の2つの相(例えばR相とS相)の間に接続される。
M座変圧器の二次巻線からは、一方の単相出力が得られる。
T座変圧器(T座変圧器)
三相電源の残りの1相(例えばT相)と、M座変圧器の一次巻線の中間タップ(中央点)の間に接続される。
T座変圧器の二次巻線からは、M座変圧器の二次出力と位相が90度ずれたもう一方の単相出力が得られる。
この組み合わせにより、M座出力とT座出力の2つの単相出力は
同じ電圧で互いに位相が90度ずれた状態になる。
これにより、2つの単相負荷に電力を供給する際に、一次側(三相側)の電流が
平衡する(不平衡が少なくなる)という特長がある。
スコットトランスの結線について
スコット変圧器は、下記図のように主座巻線とT座巻線という2つの巻線から構成されている。
主座巻線一次側の中央からは配線が引き出され、T座巻線の一端に接続されている。

また、変圧器一次側の巻数は
T座巻線が主座巻線の86.6% (=√3/2) になるように巻かれている。
スコット変圧器の二次側には単相出力が2回路あるが、それぞれの出力端子には下記図左のように
別々に単相負荷を接続する。 2つの出力端子には90°の位相差があるので
下記図右のように並列や直列に接続すると変圧器が焼損するので、接続してはいけない。


左図:負荷の接続 右図:接続不可
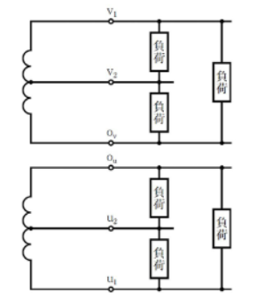
二次側に接地を施すには、単相3線式の場合は下記左図 のようにv2 およびu2 を接地する。
なお、この場合はoV とoU 間に電位差が発生するので、この2つを接続してはいけない。
また、単相2線式の場合は下記右図のようにoV とoU を接地する。

左図:単層相3線式 右図:単相2線式
スコットトランスのベクトル図

スコット変圧器のベクトル図は上記図のようになる。
一次側の端子間に三相電圧E1を加えると、線間電圧は正三角形になる。
この時、主座巻線の一次側にはE1
T座巻線の一次側には√3/2E1≒0.866Eの電圧が印加される。
また、T座巻線の電圧は主座巻線より90°進んでいる。
二次側には巻数比で除した起電力が発生する。
この場合、T座巻線に印加される電圧は主座巻線の√3/2だが
巻数比も√3/2なので二次側の電圧はどちらも同じ電圧E2となる。
また、一次側と二次側は同相になるので、一次側と同様に
T座巻線の電圧は主座巻線の電圧より90°進む。
スコットトランスの容量
スコット変圧器の二次側で使用できる1回路当たりの最大容量は
スコット変圧器の定格容量の1/2になる。
また、一次側の三相回路を平衡させるには二次側の2つの単相回路の容量を等しくする必要がある。
ただし、容量が等しくなくてもその分三相側が不平衡になるだけで、運転には支障はない。
スコット変圧器の二次側の2つの端子に接続される同一力率の負荷を
上記ベクトル図のようにPA[V・A]およびPB[V・A]とすると、各巻線の電流は次式で求められる。

となり、三相が平衡することがわかる。
スコットトランスの用途

スコットトランスは主に以下のような場面で使用される。
- 三相電源から単相負荷への電力供給
ビルや工場などで、三相の動力電源から照明、コンセント、オフィス機器などの
単相負荷に電力を供給する場合に、三相の不平衡を抑えつつ効率的に変換するために用いられる。 - 非常用発電機からの電力供給
停電時に三相の非常用発電機から、非常用照明や防災設備といった単相負荷に電力を供給する際に
三相発電機の負荷バランスを保つ目的で利用される。 - 太陽光発電・蓄電システムとの連結
近年では、太陽光発電や蓄電システムと連動して
三相と単相の電力変換を行う用途でも使用されることがある。
スコットトランスのメリット・デメリット

メリット
- 三相不平衡の抑制
単相負荷を2つの系統に分けて供給することで、三相電源側の電流の不平衡を抑制し
電源への悪影響を減らすことができる。特に、2つの単相負荷が同容量であれば
一次側はほぼ平衡した三相電流となる。 - 効率的な電力変換: 単相負荷を複数系統に分割できるため、効率的な電力利用が可能。
デメリット
- 単相負荷の容量制限
例えば100kVAのスコットトランスの場合、単相50kVAを2回路に分けて使用できるが
単相100kVAを1回路としては使用できない。
あくまで2つの単相負荷への分配が前提となる。 - 負荷バランスの重要性
二次側の2つの単相負荷が極端に不平衡になると、一次側の三相電流も不平衡になる可能性がある。
そのため、できる限り負荷のバランスを取ることが望ましいとされている。 - 複雑な結線
単純な単相変圧器や三相変圧器に比べて、結線が複雑になる。
設備容量による使用電圧と接続方法の違い

https://www.hitachi-ies.co.jp/products/trans/oil/scot/index.htm
株式会社日立産機システム スコット結線絶縁入変圧器
参考資料
新電気2024年1月号 「現場の疑問解決塾 特殊な変圧器」より一部引用

コメント
コメント一覧 (1件)
いつも拝見して勉強しています。
スコットトランスについて、
・絶縁監視装置は付けるべきか?
・Ior測定は可能なのかどうか?
以上の解説を希望いたします。