不足電圧継電器(UVR)について

異常電圧の原因として電路や設備の短絡による電圧低下や
発電機などによる電圧上昇などの事故などがある。
電圧継電器は電圧変動に応じて、電圧があらかじめ設定した状態に達した時、これを検出して動作する継電器のこと動作の区別に応じて、過電圧検出、不足電圧検出の2種類存在する。
オムロン製不足電圧継電器K2VU-Sの形式構成

①制御電源の有無
1:なし (入力と共用、形K2VU-S1の場合は不足
電圧時ワンショット動作形、形K2VU- S1Kは不足電圧時継続動作形)
2:あり(継続動作形)
②制御電源の種類
2:DC24V操作
4:DC100/110V操作
③ケース形式
R2:小形丸胴埋込形ケース
F4:小形角胴埋込形ケース
D2:引出式角胴埋込形ケース
オムロン製不足電圧継電器K2VU-Sの定格・性能
定格



性能



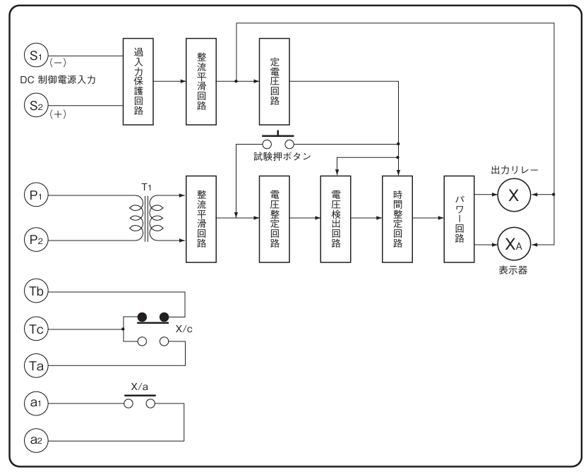
オムロン製不足電圧継電器K2VU-S2の内部ブロック図

検出すべき電圧を端子P1、P2に印加すると補助トランスT1で降圧後
整流平滑回路で直流化し、この直流電圧が定電圧回路で構成された基準電圧と比較される。
電圧検出回路からの出力により、時間回路の駆動を開始させる。
所定時間後、時間回路の出力でパワー回路を駆動し、出力補助リレーXおよび、表示器XAを動作させる。
形K2VU-S1の出力補助リレーは0.3秒以上の出力を保持し
電源が完全になくなった場合でもトリップおよび、警報に支障のないようにしてある。
また、動作表示器は、いったん動作後は表示を続け、復帰は手動にて行う。
出力補助リレーの動作以前に入力電圧が正常に復帰すれば、時間回路は瞬時復帰し、次の動作に備える。
不足電圧継電器 形K2VU-S1は、被検出電源がいったん継電器の整定値以上にならないと
不足電圧の監視は行いので、電源の初期立ち上げ時に無用の不足電圧検出状態となることがない。
オムロン製不足電圧継電器K2VU-Sの配置端子


オムロン製不足電圧継電器K2VU-Sの外部接続図

オムロン製不足電圧継電器K2VU-Sの試験方法
動作電圧試験配線図

動作時間試験配線図

K2VUの試験方法と判定基準

参考資料
chrome-extension://efaidnbmnnnibpcajpcglclefindmkaj/https://www.fa.omron.co.jp/data_pdf/closed/cat/k2vu-s_k2va-s_ds_j_3_1.pdf?id=832
電圧継電器 K2VU-S/K2VA-S データシートより引用

コメント