地絡過電圧継電器とは

配電線の地絡事故時に発生する零相電圧を検出して動作する継電器のこと
「OVGR」や「64」とも言う
系統側の地絡事故の継続検出として使用される
系統連系保護として適用される場合に電力系統事故時、自家用発電設備設置需要家側から流出する地絡電流は少なく、OCG(地絡過電流継電器)は不動作となる場合があるため、OVGR(地絡過電圧継電器)により地絡電圧を検出し遮断する。
地絡過電圧継電器の図記号

地絡過電圧継電器(K2ZC-K2GV-NUC)の特徴
主な仕様
定格制御電源: DC24V
消費電力: 130mA
定格電圧: 3,810V (6,600V 電路完全地絡電圧)
定格周波数: 50/60Hz
周波数変動範囲: 定格周波数の ±5% 以内
動作周波数範囲: 2-2.5-3.5-4-4.5-5.6-7.5-10-12.5-15-20-25-30-ロック (16 タップ)
動作時間設定範囲: 0.1~9.9秒 (0.1秒ステップ)
動作特性図:

系統遮断検出: 60V 固定
系統遮断検出復帰値: 検出値 +4V 固定
系統遮断検出負担: 0.1VA 以下
制御電源変動範囲
- DC24V: 定制制御電源の -30% ~ -20%
- AC/DC110V: AC 電源時 定制制御電源の ±15%
DC 電源時 定制制御電源の +30% ~ -20%
接点出力
地絡過電圧出力
2c(通常監視状態 OFF、地絡検出時 ON)
系統遮断/復電検出出力
1a(通常監視状態 開放、系統遮断時 短絡)
自己診断出力
1a(通常監視状態 OFF、監視異常時 ON)

接点容量
地絡過電圧出力
自動復帰
開路容量:DC220V 10A、DC110V 15A 1,000回、通電時間 0.5s
開路容量:DC30W (最大電圧 110V、最大電流 1A) 10,000回(L/R25ms)
AC80VA (最大電圧 220V、最大電流 1A) 10,000回 (cosφ=0.1)
手動復帰
開閉容量:AC125V 0.5A、DC30V 2A
系統遮断/復電検出出力
開閉容量:AC125V 0.2A、DC30V 2A
自己診断出力
開閉容量:AC125V 0.2A、DC30V 2A
性能
動作値誤差: 零相電圧:±25%
動作時間誤差: 整定値±5% (最小誤差±50ms)
系統遮断動作値誤差: 60V ±10%
制御電源の影響:
零相電圧:±5%
動作時間:±5% (最小誤差±50ms)
温度の影響: 零相電圧:±10%
周波数の影響: 零相電圧:±10%
地絡過電圧継電器(K2ZC-K2GV-NUC)の地絡検出と動作設定

地絡検出
ZPDからの零相電圧を監視し
整定値以上になったら地絡発生として検出・出力する。
動作設定
地絡検出状態が動作時間整定ツマミで設定した動作時間以上継続することで
地絡発生と判断し、検出動作する。
継電器が地絡検出にいたると地絡検出出力し動作表示が点灯する。
地絡事故復旧後の動作は自動復帰設定/手動復帰設定により異なる。
(下記表参照)

地絡過電圧継電器(K2ZC-K2GV-NUC)の接点構成

系統遮断/復電検出出力

系統電圧の有無に合わせて出力が変化する。
系統電圧が有る場合はON(オープン)、無い場合はOFF(クローズ)になる。
系統遮断検出出力はラッチリレーの1a接点になる。
工場出荷時の接点状態は短絡状態で、 制御電源が喪失しても出力状態を維持する。
キュービクルの運転開始前に必ず通電し意図した出力状態になっていることを確認すること。
地絡検出出力

零相電圧が動作値整定以上になるとONする。
自動復帰設定時は零相電圧が復帰値以下になることでOFFする。
このとき動作表示は本体内に記憶され、復帰スイッチを操作するまで動作表示は点灯し続ける。
手動復帰設定時は零相電圧が復帰値以下の状態で復帰スイッチを操作することでOFFする。
※制御電源が喪失しても地絡検出出力は保持される
自己診断検出出力

継電器が正常な状態のときはOFF(オープン)状態。
継電器が異常状態となった場合、ON(クローズ)する。
地絡過電圧継電器(K2ZC-K2GV-NUC)の表面パネルと端子配置図


地絡過電圧継電器(K2ZC-K2GV-NUC)のブロック図

地絡過電圧継電器(K2ZC-K2GV-NUC)の外部接続線図

制御電源にはバックアップ電源(形 S8TS)かバックアップされた電源を使用すること。
太陽光発電用の地絡保護として使用する場合
系統連系規程にバックアップ電源と併用することが義務付けられている。
系統遮断/復電検出機能を使用する場合は以下の方法で
AC110V または AC100V を入力すること。
計器用 VT から入力する場合は VT の負担容量を超えないよう注意すること。
・監視系統の高圧側の計器用 VT から入力してください。
・監視系統の高圧側に計器用 VT がない場合は同一系統の低圧側より
AC110V または AC100V を入力すること。
低圧側に計器用 VT がある場合は、そこから AC110V を入力すること。
低圧側から入力する場合、低圧側電圧が監視系統の遮断状況に連動して ON/OFF することを確認すること。
系統遮断/復電検出の接点出力はラッチリレーの a 接点となる。
制御電源断した場合、その時の出力状態を保持する。
※ 工場出荷時の初期状態は短絡状態となっている。
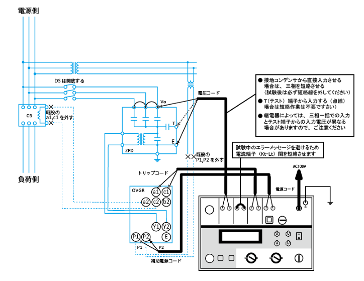
地絡過電圧継電器(K2ZC-K2GV-NUC)の試験回路と判定基準
試験回路

chrome-extension://efaidnbmnnnibpcajpcglclefindmkaj/http://www.musashi-in.co.jp/manual/gcr-minivs_21.pdf
GCR-mini VS GR・DGR・VRリレーテスタ 取扱説明書 第21版 より画像引用
P1・P2端子への接続線を外さずに補助電源コードから電圧を印加すると
一次側に高圧が発生し人身事故につながる可能性があるので十分に注意すること。
継電器のY1・Y2端子には、絶対に補助電源コードを接続しないこと。
継電器が焼損する可能性がある。
試験方法
零相電圧動作試験
試験電圧を徐々に加え、継電器の零相電圧検出表示LEDが
点灯した時の電圧を読みとる。
●形K2ZC-K2GV-NUCのタップ値と電圧値(1次側零相電圧)の関係

動作時間試験
試験電圧を次の値に調整し、スイッチを閉にして
動作時間をサイクルカウンタで測る。
●判定基準

参考資料
chrome-extension://efaidnbmnnnibpcajpcglclefindmkaj/https://www.fa.omron.co.jp/data_pdf/mnu/sgte-704e-1_k2zc-n.pdf?id=840
omron ユーザーズマニュアル K2ZC-N 分散型電源対応系統連系用複合継電器 より引用

コメント