ムサシインテック製GCR-miniVSでできること

●SOG開閉器に内蔵される無方向のGR・地絡方向継電器(DGR/ZPDタイプ)に加え
●特別高圧用地絡方向継電器(DGR/EVT(GPT)タイプ)及び
●OVR/UVR(過不足電圧継電器)
●太陽光発電設備に設置される地絡過電圧継電器(OVGR)
●逆電力継電器(RPR)
等の試験を簡単な操作で効率よく短時間に実現する操作性に優れた試験器。
ムサシインテック製GCR-miniVSの特徴

●最大出力電流5A/最大出力電圧1200V/電流・電圧位相±180°リニア可変の各機能を搭載
●特別高圧用地絡方向継電器の試験に対応 電圧出力250Vレンジにおいて
190V出力時に50VAの高容量出力
●過不足電圧継電器の試験に対応
動力関連・非常用発電機等で設備されている100V/200V系の過不足電圧継電器試験が可能
●補助電源 AC100V、DC24V、DC48V、DC110Vを継電器に供給する機能を装備
●継電器の動作を自動判定 内蔵のマイクロコンピュータが継電器の接点動作を自動判定
●無歪波形の出力
発電機の電源波形に影響されることなく、無歪正弦波形の電圧および電流を出力
●出力周波数
電源周波数と同期した出力周波数と、50Hzおよび60Hzの3種類の中から任意に選択設定
●電圧/電流設定機能
継電器に直接電圧電流を印加しない状態で、試験出力の電圧・電流を設定する機能を標準搭載
●ターミナル方式入力端子
試験入出力にはターミナル方式を採用、コード接続もプラグ挿入接続方式で結線作業の大幅な時間短縮を実現し、万が一のコード断線時にも一般的な工具で修復が可能
●慣性特性試験に完全対応
電流出力にはゼロクロス・スタート方式を採用し、出力時間50msにて慣性特性試験を自動化
GCR-miniVSの安全設計
●補助電源出力には安全な5Aサーキットプロテクタを装備し、出力の短絡を保護 ・ エラー検出機能を搭載
異常時にはブザー音および画面表示で警告通知
① 1250V以上の出力電圧を検出した時に電圧値が点滅(過電圧警告)
② 5250mA以上の出力電流を検出した時に電流値が点滅(過電流警告)
③ 出力電圧が短絡状態の時に電圧値とV表示が点滅(電圧過負荷警告)
④ 出力電流が開放状態の時に電流値とmA表示が点滅(電流開放警告)
⑤ 電圧出力に50V以上の外部電圧が印加された時に電圧、電流表示が点滅(逆電圧警告)
⑥ 内部回路異常時に全ての設定値が点滅(試験器異常)
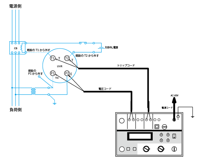
GCR-miniVSによる不足電圧継電器の試験方法まとめ

試験準備
各スイッチ及びツマミを下記表の様に設定(設備停電の状態時)


コネクタの接続

継電器の操作



●継電器の配線操作および継電器と試験器のコード接続時は
安全のため試験器の電源スイッチを「OFF」の状態で作業を行うこと。
●P1端子への接続線を外さずに電圧を印加すると
一次側に高圧が発生し人身事故につながる可能性があるため注意すること。(VT2次側から直接配線時)
不足電圧継電器の動作値誤差試験
継電器側の操作

試験機側の操作


判定基準計算表

不足電圧継電器の復帰値試験
継電器側の操作

試験機側の操作


判定基準計算表

不足電圧継電器の動作時間試験
継電器側の操作

試験器側の試験機電圧の設定

※JEC-2511では試験電圧値は動作整定値に対して70%
継電器側の試験

判定基準計算表

参考資料
chrome-extension://efaidnbmnnnibpcajpcglclefindmkaj/https://www.musashi-in.co.jp/manual/gcr-minivs_21.pdf
GCR-mini VS GR・DGR・VRリレーテスタ 取扱説明書 第21版 より引用

コメント