高圧受電設備(キュービクルなど)において
「逆昇圧」は電気主任技術者や電気工事士が最も警戒すべき現象の一つとなる。
逆昇圧の仕組み(トランスの「逆作用」)

通常、変圧器は「高い電圧(6600V)を低い電圧(100V/200V)」に変えるためのものだが
電気回路の特性として「低い側から電気を入れると、高い側に昇圧されて出てくる」という逆の働きもしてしまう。
- 通常時: 一次側(6600V) 変圧器 /二次側(100V/200V)
- 逆昇圧時: 二次側(100V/200V) / 一次側(6600V)
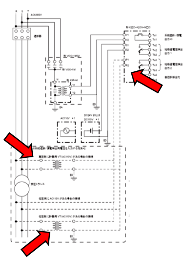
なぜ継電器の「P1,P2端子」への接続が危ないのか?


一般的にVT(計器用変圧器)や制御電源用のトランスの二次側端子を指す。
点検や試験の際、測定器や補助電源を動かすために
これらの端子へ外部から低圧(100Vなど)を印加することがある。
この時、既設の配線(高圧側へと繋がっている線)を外さないままだと
以下のことが起こる。
- 補助電源から100VをP1,P2端子に入れる。
- その電気がVT(変圧器)を通り、高圧側へと流れる。
- VTの変圧比(例えば6600V/110V)によって、高圧回路に数千ボルトが発生する。
逆昇圧の具体的なリスク

① 作業員の感電死(最大の危険)
「高圧側は停電させているから触っても大丈夫だ」と思い込んでいる作業員が
逆昇圧によって突如「活線(電気が通っている状態)」になった箇所に触れ、感電する。
これは死亡事故に至る確率が非常に高いケースの1つ。
② 隣接設備への波及事故
逆昇圧された電気は、回路が繋がっている限り設備の奥まで入り込む。
これにより、予期せぬ場所で放電(アーク)が起きたり
他の機器を破壊したりする恐れがある。
③ 補助電源(発電機や測定器)の破損
逆昇圧によって高圧側の負荷まで背負わされることになり
容量オーバーで接続した機器が焼損・爆発する危険がある。
事故を防ぐための「安全の鉄則」

| 手順 | 内容 |
| ① 物理的隔離 | 補助電源を繋ぐ前に、必ずP1,P2の既設配線を端子から外す(回路を切り離す)。 |
| ② 検電の徹底 | 電圧を印加する前、および作業箇所に触れる前に、必ず検電器で無電圧を確認する。 |
| ③ 短絡接地 | 万が一の誤通電や逆昇圧に備え、高圧側を短絡接地器具で接地(アース)しておく。 |
参考資料
chrome-extension://efaidnbmnnnibpcajpcglclefindmkaj/https://www.fa.omron.co.jp/data_pdf/mnu/k2zc-k2rv-npc_inst-5671768-9c.pdf?id=3832
形 K2ZC-K2RV-NPC 地絡過電圧 + 逆電力継電器(三相平衡用) 取扱説明書
OMRON 5671768-9 C より引用

コメント