目次
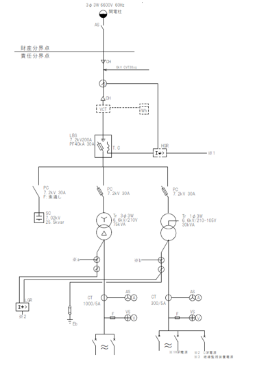
単線結線図についての概略

単線結線図(Single-Line Diagram: SLD)は
電気設備の構成をシンプルに理解するための最も重要な図面のこと。
通常、電気回路は3相3線式であれば3本の電線が必要が
これを1本の線」で表して描き、主要な機器を専用の記号で表す。
単線結線図の主な目的
複雑な受変電設備を1本の線でつなぐことで
以下の内容を一目で把握できるようにする。
- 電力の流れ(系統)の把握: どこから電気が入り、どの変圧器を通って負荷へ行くか。
- 機器の構成確認: 遮断器(CB)、断路器(DS)、変成器(CT/VT)などの配置。
- 保護協調の確認: 事故時にどの継電器(OCRなど)が動作して、どの遮断器を落とすか。
受電設備における単線結線図図記号

変圧器・計器用変成器類

開閉器類・遮断器類


計器類

継電器類

電線類


ケーブル類


その他



コメント