不等率(ふとうりつ)とは、複数の需要家(電気を使う人や事業所)または複数の負荷設備(電気機器)がある場合に、それぞれの最大需要電力の合計が、それら全体としての同時最大需要電力よりも大きくなる割合を示す指標。
「個々のピークが必ずしも同時に起こらない」という現象を表す数値のこと。
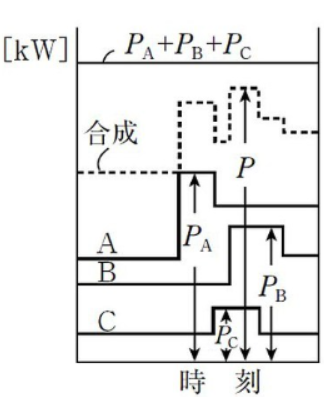
下図はA、BおよびCの3需要家の負荷曲線となる。
各需要家の最大電力は同時刻に発生するとは限らないので
破線で示した合成電力の最大値Pは、個々の需要家の最大電力の総和(PA + PB + PC)より小さいのが普通となる。最大電力の総和と合成最大電力の比を不等率といい、1より大きな値になる。

不等率の計算方法


※合成最大電力の求め方は下記参照

※個々の最大需要電力の合計: 各需要家または各負荷設備が、それぞれ別々に記録した最大の電力需要の合計値。
※全体の同時最大需要電力: 全ての需要家または全ての負荷設備を合わせた全体として
同時に記録された最大の電力需要。
不等率の重要性
- 設備容量の最適化(電力会社側)
電力会社は、多数の需要家に対して電力を供給するために送配電設備を計画・建設するが
全ての需要家が同時に最大電力を消費するわけではない。
不等率を考慮することで、必要以上に大きな設備を建設することを防ぎ、投資効率を高めることができる。 - 設備容量の最適化(需要家側)
複数の設備を持つ事業所などで、それぞれの設備の最大需要電力を単純に合計するのではなく
不等率を考慮することで、より適切な容量の受電設備を選定できる。 - 経済的な電力供給
電力会社は、不等率が高いほど少ない設備でより多くの需要に対応できるため
効率的な電力供給が可能になる。
不等率の一般的な傾向

一般的に、異なる需要家や異なる種類の負荷設備では
電力消費のピーク時間帯が異なるため
不等率は1よりも大きい値になる。
- 住宅地: 家庭ごとの生活パターンが異なるため、不等率は比較的大きくなる傾向がある。
- オフィスビル: 多くのオフィスで就業時間が重なるため、不等率は住宅地よりも小さくなる傾向がある。
- 工場: 生産ラインの稼働状況によって大きく変動しますが、複数のラインがある場合などは不等率が1より大きくなることがある。
不等率の例

ある商店街に3つの店舗A、B、Cがあるとする。
- 店舗Aの最大需要電力:10kW
- 店舗Bの最大需要電力:15kW
- 店舗Cの最大需要電力:20kW
個々の最大需要電力の合計 = 10kW + 15kW + 20kW = 45kW
しかし、これらの店舗の電力消費のピーク時間がずれており
商店街全体の同時最大需要電力が30kWだったとする。
この場合の不等率は、
不等率 = 45kW / 30kW = 1.5
となる。不等率が1より大きいことは、
個々の店舗が別々に最大電力を使用する時間帯が異なり
全体としては個々の最大需要電力の合計よりも少ない電力で済んでいることを示している。
不等率と混同しやすい概念との違い

電気設備に関連する似たような指標として、「需要率」や「負荷率」がある。
需要率 (Demand Factor)
- 最大需要電力 / 設備容量の合計
- ある瞬間において、設備がどれだけ使われているかの効率の最大値。
- 「設備が持っている能力を、最も厳しい瞬間にどれだけ引き出しているか」を表す。
負荷率 (Load Factor)
- ある期間の平均需要電力 / その期間の最大需要電力
- ある期間全体において、設備がどれだけ効率的に利用されているかを示す。
- 「最大で使われる電力に対して、平均的にどれくらい使っているか」を表す。
負荷率が高いほど、電力の使用が平準化されており、設備の利用効率が良いと言える。
不等率 (Diversity Factor)
- 個々の需要家の最大需要電力の合計 / 合成最大需要電力
- 複数の需要家や複数の負荷設備がある場合、それらの最大需要電力が同時に発生しないことを考慮する係数。
- 例えば、複数の部屋のエアコンの最大需要電力がそれぞれ異なっていても、それらが同時にピークを迎えることはない、という考え方。
これにより、全体の変圧器や幹線を個々の最大電力の単純合計よりも小さく設計できる。
需要率、負荷率、不等率の違い一覧表

参考資料
新電気2019年 11月号「厳選テーマをいもづる式に徹底解説電験三種 基礎鍛錬第63回 電気施設管理1」
より画像引用

コメント