目次
高圧交流負荷開閉器(LBS: Load Break Switch)とは

高圧交流負荷開閉器、通称LBS(Load Break Switch)は、電気設備の高圧回路において
負荷電流の開閉を目的として設置される開閉器のこと。
主に変圧器や進相コンデンサーなどの高圧機器の一次側に設置される。
特に、変圧器容量が300kVA以下の受変電設備においては
主遮断装置として、電力ヒューズ(PF: Power Fuse)と組み合わせて使用されることが多く
この組み合わせを「PF・S形」と呼ぶ。
高圧交流負荷開閉器の役割と機能

LBSの主な役割と機能は以下の通り。
- 負荷電流の開閉
変圧器やコンデンサなどの高圧機器に流れる通常の負荷電流を
安全に投入・遮断する。 - 短絡電流・過電流の遮断(電力ヒューズとの組み合わせ
LBS単体では大電流の短絡電流を遮断する能力は限られるが、電力ヒューズ(PF)を併用することで
短絡電流や過電流を遮断し、回路を保護する。ヒューズが溶断することで回路が遮断される。 - 地絡電流の検知と遮断
地絡過電流継電器(GR)などと組み合わせて使用することで
地絡事故が発生した場合に、継電器からの信号を受けてLBSを開放し、波及事故を防ぐ。 - 励磁突入電流抑制機能
近年では、投入時に抵抗を挿入して励磁突入電流(変圧器投入時などに一時的に流れる大きな電流)を
抑制する機能を持つLBSもある。これにより、安全な開閉が可能になるだけでなく
保護協調対策としても有効となる。
高圧交流負荷開閉器の構造と仕組み

LBSは、主に以下の要素で構成されている。
- 主接点
普段電流が流れるメインの接点。 - 補助接点(アーク接点)
開閉時にアークが発生するのを防ぐための接点。
主接点よりも早く投入され、遅く開放されることで、アークの発生と消弧(アークを消すこと)を担い
主接点への負担を軽減する。
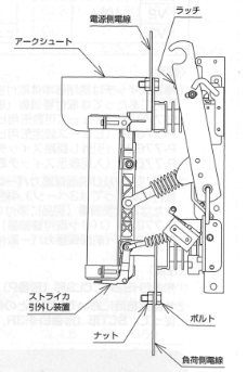
※補助接点がない製品もあるが、その場合は主接点に消弧室が付属している。 - 消弧室
開閉時に発生するアーク(非常に高温の放電)を冷却し、消弧するための構造。
アークが作業者に飛散するのを防ぎ、安全性を確保する。 - 電力ヒューズ(PF)
短絡電流や過電流を遮断するためにLBSと組み合わせて使用される。
ヒューズが溶断すると、ストライカと呼ばれる表示棒が飛び出し
それによってLBSを開放させる「ストライカ引き外し方式」が一般的。
これにより、3相のうち1相だけヒューズが溶断した場合でも、他の相も同時に開放され、欠相事故を防止する。 - 操作機構
手動でフック棒(ディスコン棒)を用いて操作するものや
継電器からの信号を受けて自動で開放する機構(トリップコイル)を持つものがある。
高圧交流負荷開閉器の種類

LBSには、設置場所や絶縁方式によっていくつかの種類があります。
- 高圧交流気中負荷開閉器(PAS)
空気中を絶縁媒体として使用するタイプ。電柱の上部に設置される「柱上気中開閉器」が代表的。 - 高圧交流ガス負荷開閉器(PGS)
SF6ガス(六フッ化硫黄ガス)を絶縁媒体として使用するタイプ。
PASと同様の機能を持つが、SF6ガスを使用することで小型化や高い遮断性能を実現している。 - 高圧交流真空負荷開閉器(VCS/VLS)
真空を絶縁媒体として使用するタイプ。消弧性能が高く、頻繁な開閉に適している。
また、地絡事故の方向を判別して動作する「SOG開閉器(地絡方向継電器付き開閉器)」もLBSの一種として広く用いられている。
高圧交流負荷開閉器の主な用途

LBSは、主に以下のような場所で使用される。
- 受変電設備
ビル、工場、商業施設などのキュービクル(受変電設備を収める箱)内に設置され
電力会社からの高圧電力を受けて、変圧器やコンデンサなどの高圧機器の保護・開閉を行う。
特に300kVA以下の変圧器の主遮断装置として多く採用される。 - 配電線路の区分開閉
電力系統の配電線路において、事故区間を切り離したり、負荷の切り替えを行ったりするために使用される。
高圧交流負荷開閉器の注意点

- LBS単体での遮断能力
LBS単体では、短絡事故のような非常に大きな電流を遮断する能力は限定的となるため
電力ヒューズ(PF)や遮断器(VCBなど)と組み合わせて使用されることが一般的。 - 点検・保守
正常な動作を維持するためには、定期的な点検・保守が不可欠となる。
接点部の発熱や不具合を放置すると、事故が発生した際に正常に動作せず、波及事故につながる可能性がある。

コメント