目次
地絡・漏電について
あわせて読みたい


地絡と漏電に違いについての備忘録
漏電と地絡に明確な使い分けはなくほぼ同義一般的に高圧と低圧での設備によって使い分けがされていることが多い 地絡 高圧の設備での発生時に呼称されることが多い 例…
地絡・漏電による漏洩電流の流れ
漏洩電流であっても、電流が流れるには回路が必要
また回路は閉じていないといけない(閉回路)
漏洩電流が流れる回路は高圧(地絡)と低圧(漏電)で異なる
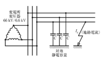
高圧回路(地絡)による電流の流れ
高圧回路は非接地方式。
絶縁が低下して地絡が発生した場合の地絡電流は下記図参照
電路の対地静電容量を経由して電源(変圧器)に戻る。
→地絡電流は充電電流の形で流れる

あわせて読みたい


対地静電容量についてのまとめ(補足用)
対地静電容量の基本知識 電線と地面の間に存在する静電容量のこと。 電線と地面の間に空気や絶縁体が存在することで形成される=大きなコンデンサ 電験三種 2019年 法…
あわせて読みたい


負荷電流、励磁電流、充電電流の違いのまとめ
電流について(定義) 電流=1秒間にどれだけの電子が通過するか 1A=1C/s(1秒間に1C(クーロン)の電荷を流す電流) 負荷電流について 電気回路において負荷に供給し…
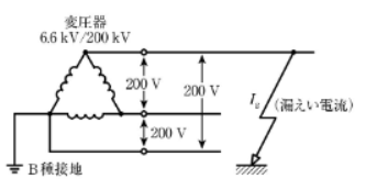
低圧回路(漏電)による電流の流れ
通常変圧器の1線にはB種接地が敷設されている。
低圧回路のどこかで絶縁が低下して漏電が発生した場合、漏洩電流は下記図のように直接B種接地を通して
電源(変圧器)に流れる。

あわせて読みたい


B種接地・D種接地を共用接地にするのがダメな理由
共用接地とは 各種接地工事(A,B,C,D種)の接地線を、共通の接地極につなぐ接地工事のこと。(下図:A参照) 総合接地抵抗値が10Ω以下の場合、A種、C種、D種は、共用と…
参考資料
新電気2024年12月号 p39 漏電と零相変流器(ZCT)より画像引用

コメント