目次
コンデンサ引き外し装置とは
VCBの引き外し方式の1つに「電圧引き外し方式」が存在し、トリップコイルへの制御電源(交流電源使用)の際に使用される装置のこと。
(現場での略称「コントリ」)
あわせて読みたい


OCRの引外し方式の種類について
過電流引き外し方式(OTC) OCRにB接点があり、CT二次電流によりOCRが動作すると接点が切り替わり、CT二次電流がトリップコイル(TC)に流れてトリップして遮断器を引き外…
コンデンサ引き外し装置を用いる理由
真空遮断器の引外し(電圧引き外し方式)は基本的には「直流電圧」で行う。
しかし、現場の多くでは直流電源がないことが多く、この装置を使用し交流電流を直流電流に整流して
トリップコイルを引き外す制御電源を作り出す。
また電流引外し方式のVCBを電圧引外し方式に更新する際にも使用されることが多い。
光商工製LCシリーズ コンデンサ引き外し装置について

LC 形コンデンサ引外し電源装置は、交流入力電圧を整流しコンデンサに充電して
放電する際のエネルギーを利用して、真空遮断器の引外し操作を行わせる装置のこと。
瞬時停電などで電源電圧が降下しても、60秒以内であれば、確実に引外し電圧を保持する。
定格と性能
左:LC-9 右:LC-10

機能
左:LC-9 右:LC-10

光商工製LCシリーズ コンデンサ引き外し装置の操作部について
前蓋の開き方
コンデンサ引外し装置の前蓋を開き各操作を行う。
片開きになっており無理に開くと破損するので、注意が必要。
※前蓋は180°まで開く。
操作部の取り扱い
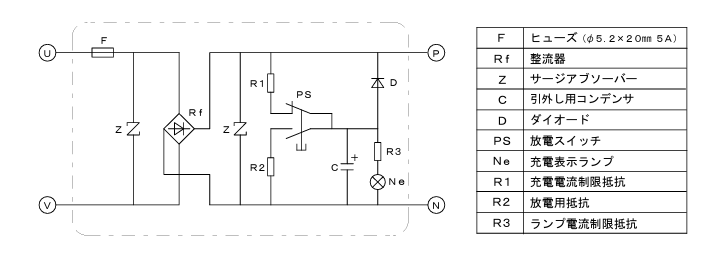
- 放電スイッチ(赤) 強制放電させる場合に押す。
※充電表示ランプ(透明)が消灯するまで押し続けてる必要あり。
- 充電表示ランプ(透明) コンデンサに充電されると点灯する。
- ヒューズ φ5.2×20mm 5A のヒューズを使用すること。


光商工製LCシリーズ コンデンサ引き外し装置の注意点

- P~N 出力電流が遮断後切れるようにCB補助接点を必ず設けること。(下記外部接続図例参照)
- 引外し操作の間隔は10秒以上で行うこと。
- 入力電圧を印加する時は、保護継電器などの引外し指令接点が必ず開いていることをご確認すること。
接点が閉じていると本装置のヒューズが溶断するおそれがある。 - 保守・点検時は入力電源を切り、放電スイッチ(赤)を10秒以上押して充電表示ランプ(透明)が消えたことを確認してから行うこと。
- 遮断器の種類により、引外しできない場合も考えられるので、使用の際には十分確認すること。
- 充電表示ランプは、ネオン電球を使用しているので、ちらつく事があるが異常ではない。
光商工製LCシリーズ コンデンサ引き外し装置の配線図
裏配線

ブロック図

外部接続図

参考資料
chrome-extension://efaidnbmnnnibpcajpcglclefindmkaj/https://www.hikari-gr.co.jp/dcms_media/other/T-LC-9-10.pdf
コンデンサ引外し電源装置 取扱説明書 LC-9 LC-10より引用

コメント