SOG(方向性地絡継電器)について

DGRは、地絡事故を検出して電気回路を保護する継電器の一種.
主な特徴として地絡電流の大きさに加えて、その方向(位相)を検出できるが挙げられる。
これにより、事故が発生した方向を特定し、自らの構内で発生した地絡事故と、他の場所で発生し自らの設備に影響を与えている地絡電流(もらい事故)とを区別することができる。
D801-CLはDGR中のSOGに分類される。
SOGとはStorage Over current Groundの略で過電流蓄勢トリップ付地絡トリップ動作のことをいう。
SOG付開閉器の動作
- 地絡事故時は、SOG制御装置(地絡継電器)が作動し、開閉器を開放させる。
(電源側の高圧電路は停電しない) - 過電流事故時(開閉器のロック電流値以上の事故電流)は、電源側の遮断器の動作により高圧電路が停電して制御電源がなくなると、開閉器は自動的に開放し事故点を切り離す。(SO動作)
- 地絡と過電流事故が重なった時は、過電流蓄勢トリップ動作(SO動作)が優先し、2)と同じく過電流事故時の動作をする。
三菱製SOG(D801-CL)の定格
| 項目 | 内容 |
| 形名 | SOG-D801-C(屋内埋込形) |
| 保護種別 | 方向性、非接地系 |
| 定格制御電圧 | AC 100V(電圧変動範囲 85~110V) |
| 定格周波数 | 50/60Hz |
| 消費電力 | 4VA(動作時 5VA) |
| 地絡動作電流整定値 | 0.2A、0.3A、0.4A、0.6A(4段切替) |
| 地絡動作電圧整定値 | 完全地絡電圧の 5%、7.5%、10%(3段切替) |
| 地絡動作時間整定値 | 0.1秒、0.2秒、0.3秒、0.5秒(4段切替) |
| 動作位相特性 | 進み 135°の場合:±15°、遅れ 45°±15° 進み 105°の場合:±15°、遅れ 75°+15 or -10° |
| 警報接点容量(誘導負荷) | AC 125V-4.0A、DC 125V-0.7A |
| 総質量 | 1kg |
| 準拠規格 | JIS C4609「高圧受電用地絡方向継電装置」 |
三菱製SOG(D801-CL)の性能と表示機能
D801-CLの特性表

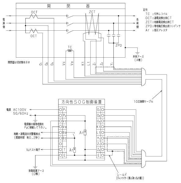
三菱製SOG(D801-CL)の外部配線図

●制御装置の低圧端子( O1, O2, O3, T, Y1, Z1 )には、メガリング等による高電圧は、印加しないこと。
●制御線は3芯アルミ化PETテープシールド付10芯ビニル絶縁ビニルシースケーブルを使用し、芯線は色別して端子記号を表示。
●シールド接地は、アルミ化PETテープではなく、ドレンワイヤー(裸スズめっきより線)のみ接続。
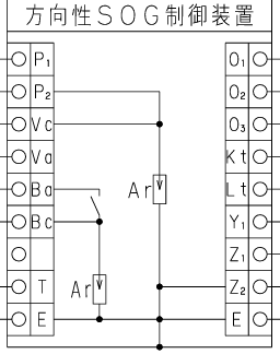
三菱製SOG(D801-CL)の端子配置


三菱製SOG(D801-CL)各部の名称

| 名称 | 説明 |
| ①動作電流整定 | 零相電流(Io)動作値の整定を行う。 |
| ②動作電圧整定 | 零相電圧(Vo)動作値の整定を行う。 |
| ③動作時間整定 | 動作時間の整定を行う。 |
| ④電源表示 | 制御電源印加時に点灯 |
| ⑤各種表示LED(Vo Io表示) | 電流:動作電流値以上の電流入力があると点灯 電圧:動作電圧値以上の電圧入力があると点灯 |
| ⑥表示器 | GR 及び SO 動作時に表示する。 |
| ⑦表示復帰スイッチ | 表示器の表示を復帰する。 |
| ⑧試験スイッチ | 地絡及び過電流事故を模擬した試験ボタン トリップ出力と同時に、動作表示をさせる。 |
| ⑨過電流動作表示器 | 過電流検出時に点灯。 |
専用試験機によるテスト例

主な注意事項まとめ
●動作測定時、ギリギリの入力で動作→復帰→動作を長時間繰り返すと
開閉器のトリップコイルを焼損するおそれがあるので連動試験以外は
できるだけトリップコイルの線Va、Vcを外して試験されることをお勧めする。
(開閉器が動作しないのは動作値に影響しない。)
●配電線の残留電圧が大きいと、残留電圧と試験電圧のベクトル和がSOG制御装置に印加されるので
正常値で動作しない時がある。 この時は開閉器を開放して、残留電圧の影響をなくして試験を実施する。
●開閉器を含めた地絡動作時間測定の際、開閉器負荷側の電圧を検出する方法で測定を行うと
開閉器が開放しても力率改善用コンデンサの放電により測定動作時間が延びることがある。
必ず、力率改善用コンデンサを切離してから測定すること。
試験時、VaVc線を外すとトリップ回路診断機能によって断線異常と判断するので異常灯が点灯するが
制御装置の動作に影響ない。
参考文献
chrome-extension://efaidnbmnnnibpcajpcglclefindmkaj/https://dl.mitsubishielectric.co.jp/dl/fa/members/cad/mvsw/0000000296/h31c411.pdf
高圧配電制御機器 負荷開閉器・断路器 外形図・CAD 外形図
chrome-extension://efaidnbmnnnibpcajpcglclefindmkaj/https://dl.mitsubishielectric.co.jp/dl/fa/members/cad/mvsw/0000000299/h8w3352.pdf
高圧配電制御機器 負荷開閉器・断路器 外形図・CAD 結線図
chrome-extension://efaidnbmnnnibpcajpcglclefindmkaj/https://dl.mitsubishielectric.co.jp/dl/fa/members/cad/mvsw/0000000262/NH02-D0415-F.pdf
高圧配電制御機器 負荷開閉器・断路器 外形図・CAD 動作基準と試験条件
より一部引用

コメント