地絡過電圧継電器とは
配電線の地絡事故時に発生する零相電圧を検出して動作する継電器のこと
「OVGR」や「64」とも言う
系統側の地絡事故の継続検出として使用される
系統連系保護として適用される場合に電力系統事故時、自家用発電設備設置需要家側から流出する地絡電流は少なく、OCG(地絡過電流継電器)は不動作となる場合があるため、OVG(地絡過電圧継電器)により地絡電圧を検出し遮断する。
地絡過電圧継電器の図記号


地絡過電圧継電器(MVG-A1V-R)の特徴

ディジタルタイプのEVT対応の地絡過電圧継電器
高精度で安定した特性を持つ
2%検出の高感度検出で広範囲な設定が可能
テストボタンによる強制動作が可能
定格
●入力電圧:7V
●周波数:50/60Hz切替
●制御電圧:AC100/110V(90〜120V)
整定
●動作値:完全地絡時に発生する零相電圧VoのLock-2-4-6-8-10-12-14-16-18-20%
(6.6kV 完全地絡100%V0一次電圧=3810V時、MPD形ZVT2次出力電圧=7V)
●動作時間:瞬時(60ms以下)0.2-0.5-1.0-1.5-2.0-2.5-3.0-4.0-5.0s
●使用条件設定:周波数 50Hz(SW1-ON)/60Hz(SW1-OFF) 切替
表示
●自己監視:正常時にはLED(緑色):RUNが点灯する
●動作表示:動作時 黒色→橙色に変化 (手動復帰式)
●数値表示

●テストボタン:定格電圧状態にて、強制動作が可能(動作時間の間、ボタンを押し続けること)
消費VA
●定常時:4VA 動作時:7VA
※整定の「Lock」はその要素をロックして動作させない機能
地絡過電圧継電器(MVG-A1V-R)の特性
●動作値特性:各Vo整定値・最小動作時間整定値にて、整定値の±25%以内

●動作復帰値特性:各Vo整定値・最小動作時間整定値にて、整定値の90%以上
●動作時間特性:Vo整定値=10%

●復帰時間特性:Vo整定値=10%
整定値の150%→0Vにて 250ms±50ms
●接点容量

地絡過電圧継電器(MVG-A1V-R)の構造と内部結線図
構造

①RUN表示LED(緑色)
制御回路・電子回路・プログラムデータ等を常時監視しており、正常時に点灯する
②数値表示用LED
表示選択用切替スイッチを使用することで下記の表示が可能
●零相電圧計測:リレー入力電圧値が1.0〜25%まで表示可能
●始動表示:U. を表示
●整定値表示:各整定値を表示
③零相電圧・動作時間・整定用スイッチ
●ツマミの切り溝方向の値が整定値となる
●スイッチ操作は手動 or マイナスドライバーで変更可能
●中間位置に整定してはいけない(不定となる)
④動作表示器の表示復帰レバー(本体内蔵)
レバーを押し上げることで動作表示器を復帰が可能
押し上げた状態ではリレー機能がロックされる
(復帰レバーを完全に押し上げた状態で、RUNランプが消灯しリレー機能ロックとなる)
※レバーを過度に引っ張ると故障の原因になるので注意
⑤表示選択用切替スイッチ
ツマミの切り溝方向の値のポジションが表示項目となる
⑥テストスイッチ
定格電圧印加時に、動作時間の間ボタンを押すことで強制動作が可能
動作電圧整定が「Lock」の場合は強制動作ができない
⑦周波数整定スイッチ
使用する周波数に合わせて、SWのON/OFFで整定する

⑧動作表示器
リレー動作時、黒色→橙色に変化する
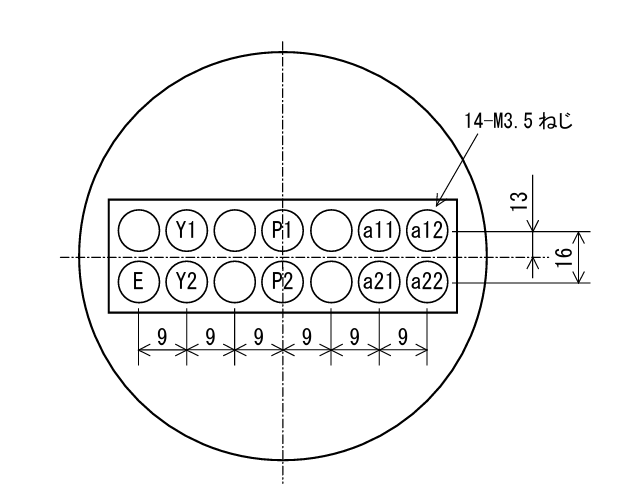
内部結線図

端子配列


地絡過電圧継電器(MVG-A1V-R)の外部接続図例

地絡過電圧継電器(MVG-A1V-R)の動作まとめ
リレー機能
●電圧(VT2次電圧)入力から制御電圧を導入する定電圧回路を内蔵していますので、特別な制御電源を必要としない
●零相電圧入力は、リレーと組合せるMPD-2形又はMPD-3形零相電圧検出器の2次出力より供給される。

零相電圧信号はA/D(アナログ/ディジタル)コンバータによりディジタル信号に変更され、マイクロコンピュータにデータとして入力される
●出力接点は、リレー動作後、入力電圧が動作レベル未満となると出力リレーが自動復帰する。
動作表示器は動作表示状態を保持し続けるので、復帰の際は継電器正面下部の表示復帰レバーを押し上げること。
動作表示の復帰を忘れた場合、点検後動作してもいつ動作したかわからなくなりトラブルの原因になる。
RUN表示
制御電圧、電子回路、プログラムデータを常時監視し、正常時には緑色LED(RUN)が点灯する。
異常時には消灯し、 数値表示LEDにエラー E r r を表示すると共に動作 出力をロックする。
VT2次電圧入力から制御電圧を導出するので85Vを下回る時は消灯している。
始動表示
零相電圧が整定値以上となったとき

表示
本機能は受入試験及び定期点検での動作値試験時に使用可能。
常時自己監視エラー表示
常時自己監視機能で異常を検出した場合、エラー E r r を 表示する。

MPD-3を非接続の状態で電源を印加すると E r r 表 示となる場合がある。
地絡過電圧継電器(MVG-A1V-R)の試験方法
試験時期
●製品入荷後、開梱した時
● 設備を運開(受電開始)する時
●定期点検時(通常は1年に1回)
動作特性試験
①制御電圧を徐々に上げると、70V前後でRUN表示LED(緑色)が点灯する。
(=電子回路が正常に動作し始めたことを示す)
動作時間試験時に試験電圧を調整する際、動作表示器の復帰操作板を上に押し上げますと本継電器は動作ロック状態となりますので、動作ロックしておいて電圧調整しますと正確な試験ができます。
③定格電圧印加でリレー正面のテストボタンを押して強制動作することを確認
判定基準
下記の試験条件・判定基準に従い、定期的に試験を実施

参考資料
chrome-extension://efaidnbmnnnibpcajpcglclefindmkaj/https://dl.mitsubishielectric.co.jp/dl/fa/members/document/manual/pror/jep0-il1294/mvg-a1_r2.pdf
三菱保護継電器 MELPRO-Aシリーズ
MVG-A1V-R,MVG-A1V-RD 取扱説明書より引用

コメント