もらい事故の概略

電気事故の大半は絶縁劣化による地絡事故で
多くはケーブルや開閉器、遮断器、高圧母線などで発生する。
地絡事故が発生した場合には、通常は地絡継電器が動作して不良箇所を切り離すことで
事故の影響を最小限にとどめる。
しかし、絶縁が正常で不良箇所もないのに地絡継電器が動作し構内が停電となってしまうことがある。
=もらい事故
需要家の構外の地絡事故とは、配電線や他の需要家など配電用変電所の同じ変圧器につながる
すべての配電線や機器類などで発生する地絡事故のうち自らの構内で発生した
地絡事故ではない自所のGRが動作する必要はないので、このような場合にGRが動作することを
「もらい事故」と呼んでいる。
もらい事故の原理

地絡事故
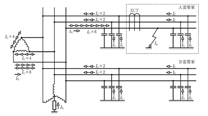
需要家の構内で地絡事故が発生した場合
下記図のように、地絡電流は大地を通り、配電系統各部の静電容量と
配電用変電断のEVTの中性点に流れ込み、配電用変圧器の巻線を経由して地絡点に戻るように流れていく。


左:構内での地絡図 右:構内での地絡(3線図)
需要家 GR(地絡継電器)が設置してあればZCTでこの地絡電流を検出するので
GRが動作して事故点を開放する。
これは保護協調上は正常な動作であり波及事故も防止できる。

一方、需要家の構外で地絡事故が発生した場合でも、上記図のように
ZCTには地絡電流が流れるのでこれがGRの整定値を越えると動作してしまう。
GRの整定
一般に、GRの整定値は配電用変電所との保護協調上から200mAとしていることが多いが
整定値が大きいほどもらい事故は発生しにくい。
※保護協調は配電用変電所や配線系統ごとに異なるので整定値をリンクランク上の400mAとする場合
電気事業者と協議して決める必要がある。
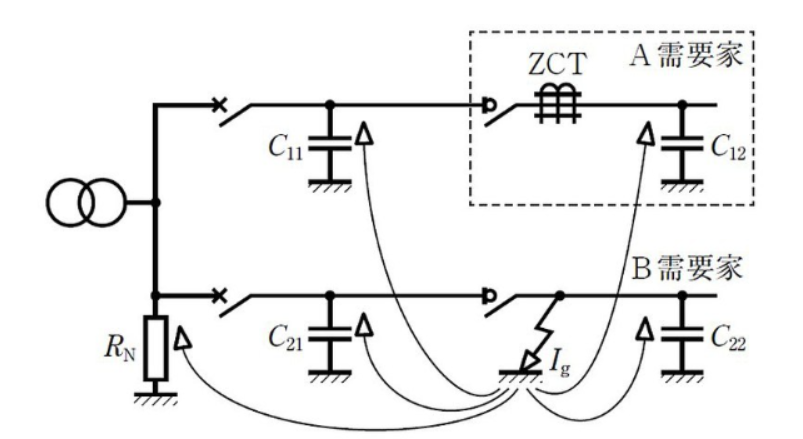
構内の対地静電容量
需要家の構外での地絡事故なのにGRが動作してしまうのがもらい事故において
ZCTで検出する地絡電流は需要家の構内の対地静電容量によるものがほとんど。
これがどの程度になるとGRの整定値を越えるのか計算で求める
GRの整定値が200mA
周波数か50Hzの場合
対地静電容量Cは

需要家構内の対地静電容量は、ケーブル、電線、変圧器、がいしなどによるものだが
ケーブル以外の静電容量はその値が小さいので、通常はケーブルのみの静電容量を考える。
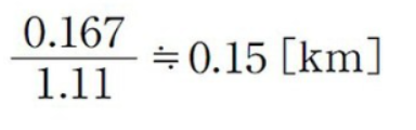
CVT 60mm^2のケーブルを使用するとすれば
3線で1.11uF/km(3×0.37[uF/km])なので、0.167uFの静電容量は

したがって、150mが限界ということになる。
※実際の地絡事故は間欠アーク地絡が多いためその場合は高圧や電流の波形がひずむので(高調波が含まれる)
商用周波数で計算したものと比べて地絡電流が大きくなる。
高調波成分の含有率はケースバイケースで異なるが、
過去の動作事例から判断して、上記の値の30〜50%に低減して裕度を見るのが一般的。
6.6kV CVTケーブルの対地静電容量(1線あたり) [参考]

もらい事故の対策方法

地絡電流の流れる方向
GRでは、地絡電流の大きさのみを検出しているので
電源側からの地絡電流なのか、負荷側からの地絡電流なのかを判別できない。
したがって、構内の高圧ケーブルのこう長が長い場合には、ZCTで検出する地絡電流が大きくなるので
構外の地絡事故でもGRが不必要動作する可能性がある。
この場合、地絡電流の方向を検出できるDGR(地絡方向継電器)の採用が必要になる。
DGRは地絡電流の大きさだけでなく流れる方向を判別できるので逆方向の場合には動作しないようになっている。
=DGRを設置すれば、原理的に構外の地絡事故で動作することはなくなる。
最近ではGRよりもDGRを顧客に設置推奨することが多くなっている。
DGRについて

DGRは責任分界点(受電点)に設置するのが好ましく、通常はDGR内蔵のPASを使用する。
地絡時に発生する地絡電圧は同じ配電系統であればどの場所でもほぼ同じになるので
これを基準として地絡電流の方向を判定する。
ZPD(零相電圧検出装置)が地絡電圧を検出し、地絡電流はZCTで検出する。
地絡事故が構内で発生した場合は、地絡電流が電源側から流入するので
地絡事故と判断してTC(トリップコイル)に電流を流してPASを開放する。
地絡事故が構外で発生した場合は、地絡電流は逆向きとなるので、PASは開放されない
=DGRの設置はもらい事故防止となる

コメント