ムサシインテック製GCR-miniVSでできること

●SOG開閉器に内蔵される無方向のGR・地絡方向継電器(DGR/ZPDタイプ)に加え
●特別高圧用地絡方向継電器(DGR/EVT(GPT)タイプ)及び
●OVR/UVR(過不足電圧継電器)
●太陽光発電設備に設置される地絡過電圧継電器(OVGR)
●逆電力継電器(RPR)
等の試験を簡単な操作で効率よく短時間に実現する操作性に優れた試験器。
ムサシインテック製GCR-miniVSの特徴

●最大出力電流5A/最大出力電圧1200V/電流・電圧位相±180°リニア可変の各機能を搭載
●特別高圧用地絡方向継電器の試験に対応 電圧出力250Vレンジにおいて
190V出力時に50VAの高容量出力
●過不足電圧継電器の試験に対応
動力関連・非常用発電機等で設備されている100V/200V系の過不足電圧継電器試験が可能
●補助電源 AC100V、DC24V、DC48V、DC110Vを継電器に供給する機能を装備
●継電器の動作を自動判定 内蔵のマイクロコンピュータが継電器の接点動作を自動判定
●無歪波形の出力
発電機の電源波形に影響されることなく、無歪正弦波形の電圧および電流を出力
●出力周波数
電源周波数と同期した出力周波数と、50Hzおよび60Hzの3種類の中から任意に選択設定
●電圧/電流設定機能
継電器に直接電圧電流を印加しない状態で、試験出力の電圧・電流を設定する機能を標準搭載
●ターミナル方式入力端子
試験入出力にはターミナル方式を採用、コード接続もプラグ挿入接続方式で結線作業の大幅な時間短縮を実現し、万が一のコード断線時にも一般的な工具で修復が可能
●慣性特性試験に完全対応
電流出力にはゼロクロス・スタート方式を採用し、出力時間50msにて慣性特性試験を自動化
GCR-miniVSの安全設計
●補助電源出力には安全な5Aサーキットプロテクタを装備し、出力の短絡を保護 ・ エラー検出機能を搭載
異常時にはブザー音および画面表示で警告通知
① 1250V以上の出力電圧を検出した時に電圧値が点滅(過電圧警告)
② 5250mA以上の出力電流を検出した時に電流値が点滅(過電流警告)
③ 出力電圧が短絡状態の時に電圧値とV表示が点滅(電圧過負荷警告)
④ 出力電流が開放状態の時に電流値とmA表示が点滅(電流開放警告)
⑤ 電圧出力に50V以上の外部電圧が印加された時に電圧、電流表示が点滅(逆電圧警告)
⑥ 内部回路異常時に全ての設定値が点滅(試験器異常)
GCR-miniVSによる過電圧継電器の試験方法まとめ(設備停電時)
過電圧継電器についての概略過電圧継電器は、系統の電圧が規定値(整定値)を超えたときに動作し
機器の保護や系統の安定を図るための装置として働く。

試験準備
各スイッチ及びツマミを以下の様に設定。

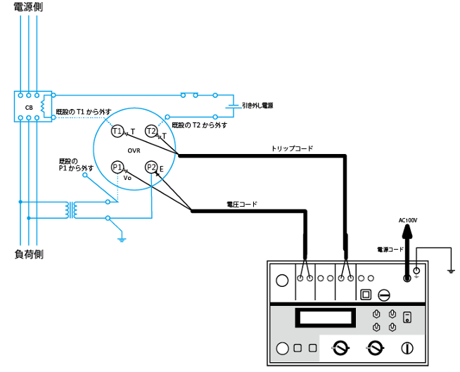
使用コードと挿入端子

過電圧継電器の結線方法

上図:過電圧継電器の結線図
継電器へのコードの接続

●過電圧継電器試験時の基準電圧・試験電圧は同一のレンジに設定して使用すること。
基準電圧と試験電圧を異なるレンジに設定した場合は電圧表示精度の保証外となる。
●基準電圧設定レンジまたは、試験電圧設定レンジのどちらかが
「OFF」もしくはOVR・UVRの有効な電圧レンジにない場合は
そのレンジ側の電圧は出力しないため有効レンジにすること。
過電圧継電器の動作値誤差試験
継電器の確認
●動作時間の整定を最小整定とする。(時間整定できる場合)
●動作電圧整定値を各整定値ごとに以下の試験を行う。
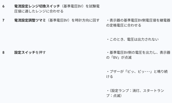
試験機側の操作


判定基準計算表

過電圧継電器の動作時間試験
継電器側の確認
●動作時間の整定を基準動作時間整定とする。(時間整定できる場合)
●動作電圧整定値を最小動作値に整定する。
試験電圧の設定


継電器の試験


過電圧継電器の単体試験を終了する場合は、試験のために外した
既設のP1,T1,T2配線を必ず元通りに復元することをわすれないこと。
既設のP1,T1,T2配線が外れたままでは継電器が不動作となり、設備の保護ができない。
判定基準計算表

過電圧継電器の復帰値試験
継電器の確認
●動作時間の整定を基準動作時間整定とする。(時間整定できる場合)
● 動作電圧整定値を最小動作値に整定。
試験機側の操作




判定基準計算表

参考資料
chrome-extension://efaidnbmnnnibpcajpcglclefindmkaj/https://www.musashi-in.co.jp/manual/gcr-minivs_21.pdf
GCR-mini VS GR・DGR・VRリレーテスタ 取扱説明書 第21版 より引用

コメント