ムサシインテック製GCR-miniVSでできること

●SOG開閉器に内蔵される無方向のGR・地絡方向継電器(DGR/ZPDタイプ)に加え
●特別高圧用地絡方向継電器(DGR/EVT(GPT)タイプ)及び
●OVR/UVR(過不足電圧継電器)
●太陽光発電設備に設置される地絡過電圧継電器(OVGR)
●逆電力継電器(RPR)
等の試験を簡単な操作で効率よく短時間に実現する操作性に優れた試験器。
ムサシインテック製GCR-miniVSの特徴

●最大出力電流5A/最大出力電圧1200V/電流・電圧位相±180°リニア可変の各機能を搭載
●特別高圧用地絡方向継電器の試験に対応 電圧出力250Vレンジにおいて
190V出力時に50VAの高容量出力
●過不足電圧継電器の試験に対応
動力関連・非常用発電機等で設備されている100V/200V系の過不足電圧継電器試験が可能
●補助電源 AC100V、DC24V、DC48V、DC110Vを継電器に供給する機能を装備
●継電器の動作を自動判定 内蔵のマイクロコンピュータが継電器の接点動作を自動判定
●無歪波形の出力
発電機の電源波形に影響されることなく、無歪正弦波形の電圧および電流を出力
●出力周波数
電源周波数と同期した出力周波数と、50Hzおよび60Hzの3種類の中から任意に選択設定
●電圧/電流設定機能
継電器に直接電圧電流を印加しない状態で、試験出力の電圧・電流を設定する機能を標準搭載
●ターミナル方式入力端子
試験入出力にはターミナル方式を採用、コード接続もプラグ挿入接続方式で結線作業の大幅な時間短縮を実現し、万が一のコード断線時にも一般的な工具で修復が可能
●慣性特性試験に完全対応
電流出力にはゼロクロス・スタート方式を採用し、出力時間50msにて慣性特性試験を自動化
GCR-miniVSの安全設計
●補助電源出力には安全な5Aサーキットプロテクタを装備し、出力の短絡を保護 ・ エラー検出機能を搭載
異常時にはブザー音および画面表示で警告通知
① 1250V以上の出力電圧を検出した時に電圧値が点滅(過電圧警告)
② 5250mA以上の出力電流を検出した時に電流値が点滅(過電流警告)
③ 出力電圧が短絡状態の時に電圧値とV表示が点滅(電圧過負荷警告)
④ 出力電流が開放状態の時に電流値とmA表示が点滅(電流開放警告)
⑤ 電圧出力に50V以上の外部電圧が印加された時に電圧、電流表示が点滅(逆電圧警告)
⑥ 内部回路異常時に全ての設定値が点滅(試験器異常)
GCR-miniVSによる地絡方向性継電器の試験方法まとめ(設備停電時)
地絡方向継電器についての概略
地絡方向継電器は、高圧受電設備において
自社の設備内で「地絡(電気が地面に漏れる事故)」が発生した際に
それを検知して遮断器を動作させるための重要な役割を持つ。

試験準備

使用コードと挿入端子

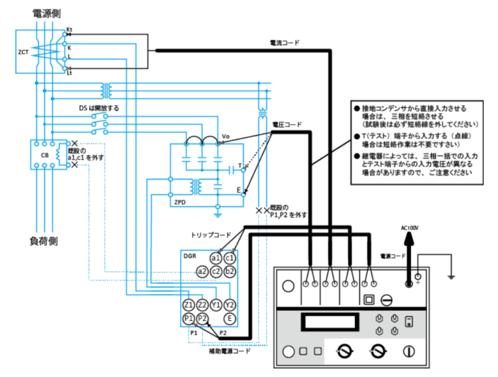
地絡方向継電器の結線方法

上図:地絡方向継電器の結線図
継電器/ZCT/ZPD の接続


●P1,P2端子の既設配線を外さずに補助電源コードから電圧を印加すると
設備の一次側へ高電圧が発生する可能性があるので注意。
必ずP1,P2端子の既設配線を外してから補助電源コードを接続すること。
● 継電器のZ1,Z2端子には、絶対に補助電源コードを接続しないこと。
継電器が焼損する可能性がある。
地絡方向継電器(ZPDタイプ)の動作電流値試験
継電器の確認
整定タップの電流値、電圧値および最高感度角を確認
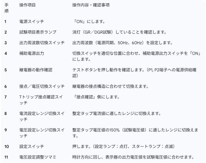
試験機側の操作


地絡方向継電器(ZPDタイプ)の動作電圧値試験
継電器側の確認
整定タップの電流値
電圧値および最高感度角を確認する。
試験機側の操作



Vo整定値(%)=6.6kVの完全地絡電圧3810Vに対する
パーセント整定 Vo整定値(%)に対する電圧換算値 (参考)

地絡方向継電器(ZPDタイプ)の動作時間試験
継電器の確認
整定タップの電流値、電圧値および最高感度角を確認
試験機側の操作



地絡方向継電器(ZPDタイプ)の位相特性試験
継電器の確認
整定タップの電流値、電圧値および最高感度角を確認
試験機側の操作



地絡方向継電器(ZPDタイプ)の慣性特性試験
継電器の確認
整定タップの電流値、電圧値および最高感度角を確認
試験機側の操作


慣性特性試験の合否判定は 50ms 経過後の継電器の動作及び
表示器のOK/NG表示で行う。

●表示器のOK/NGは、約 2 秒間表示される。
●OK表示された後、継電器が遅れて動作した場合に備え、継電器の接点状態を約 2 秒間監視する。
監視中に継電器が動作した場合は不合格判定となり
表示器がOK表示からNG表示へ切り替わる
地絡方向継電器の判定基準(JIS4609 参考)
動作電流値試験
継電器の整定電圧値を最小とし
零相基準入力装置の一次側に三相一括で,整定電圧値の150%の電圧を印加し
零相変流器一次側の任意の1線に,製造業者が明示する動作側の位相(以下,動作位相という。)の
電流を流し,これを徐々に変化させて,継電器が動作したときの電流値を測定する。
※試験は,すべての整定電流値について行う。
動作電圧値試験
継電器の整定電流値を最小とし,零相変流器一次側の任意の1線に
整定電流値の150%の電流を流し,零相基準入力装置の一次側に三相一括で
動作位相の電圧を印加し,これを徐々に変化させて
継電器が動作したときの電圧値を測定する。
※試験はすべての電圧整定値について行う。
ただし,受渡検査では,最小整定値だけでよい。
位相特性試験
継電器の整定電流値及び整定電圧値を最小とし,整定電圧値の150%の電圧を加え
整定電流値の1000%の電流を流し,電流の位相を変えて継電器が動作する位相角を測定する。
動作時間試験
零相基準入力装置の一次側に三相一括で,整定電圧値の150%の電圧を
また,零相変流器一次側の任意の1線に動作位相で整定電流値の130%及び400%の電流を
それぞれ電圧と同時に急激に通電して,継電器が動作する時間を測定する。
※試験は,すべての整定電流値について行う。ただし,受渡検査では
最小整定電流値で130%の電流の試験だけ行う。
動作時間試験の判定基準

参考資料
chrome-extension://efaidnbmnnnibpcajpcglclefindmkaj/https://www.musashi-in.co.jp/manual/gcr-minivs_21.pdf
GCR-mini VS GR・DGR・VRリレーテスタ 取扱説明書 第21版 より引用
https://kikakurui.com/c4/C4609-1990-01.html
日本工業規格 JIS C 4609-1990 高圧受電用地絡方向継電装置 より引用

コメント