ケーブルが長いことが誤動作につながることが多い
ケーブルが長い=静電容量が大きい
あわせて読みたい


誘導電圧についてのまとめと測定方法
誘導電圧とは(要約) 高圧機器やケーブルに故障などがない場合でも、接地されていない金属体やブレーカーを開放した電路などは誘導により電圧が発生することがある。 …
地絡事故が起きると、静電容量に対して分流される。

静電容量が大きいほどインピーダンスが小さくなるので、
●IC1

●IC2

静電容量が大きい方に地絡電流が多く流れるため、誤動作が起きる。
目次
対策方法
地絡継電器を無方向性(HGR)のものから方向性(DGR)のものに更新する
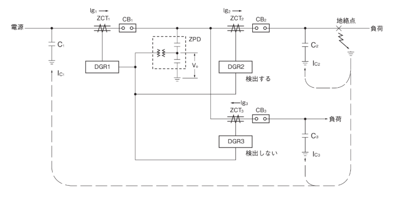
通常地絡事故が発生すると事故回線では事故電流が電源側から負荷側に向かって流れる。
一方、ほかの回線では、事故電流が負荷側から電源側に向かって流れる。
(下記図参照)
GR/OCGRのように地絡電流の大きさだけで地絡事故を検出すると
設備内の地絡事故だけでなく、設備外の事故を誤検出(もらい事故)する場合がある。
一方、DGRは、零相電圧Voと、零相電流Ioから地絡電流の方向(位相)を検出できるため
事故が発生した回線のみを遮断することができる。

あわせて読みたい


地絡方向継電器(DGR)についてのまとめ
地絡方向継電器(DGR)の概略 DGR(Directuional Grand Relay) 保護目的:漏電・波及(もらい)事故の相互防止 地絡方向継電器(DGR)とは 電気設備の電路や設備で絶縁劣…
あわせて読みたい


零相電圧検出装置(ZPD)と地絡方向継電器(DGR)による電流方向監視(補足用)
零相変流器(ZCT)について 零相電圧検出器(ZPD)について 零相電圧検出装置(ZPD)と地絡方向継電器(DGR)による電流方向監視 地絡事故が発生すると事故回線では事故…
ケーブル亘長の限界目安(参考値)

chrome-extension://efaidnbmnnnibpcajpcglclefindmkaj/https://www.fa.omron.co.jp/data_pdf/commentary/protectiverelays_tg_j_1_1.pdf
保護継電器 技術解説より画像引用

コメント