進相コンデンサについての概略

進相コンデンサは
交流回路において力率(りきりつ)を改善するために使用されるコンデンサのこと。
別名「力率改善コンデンサ」とも呼ばれる。
進相コンデンサは
交流回路において力率(りきりつ)を改善するために使用されるコンデンサのこと。
別名「力率改善コンデンサ」とも呼ばれる。
コンデンサは、誘導機器と異なり電流が電圧よりも進むので、進み力率になり、進み無効電力を消費する。
このため、下左図のように回路にコンデンサを並列に接続することにより遅れ無効電力を打ち消すことができる。
これにより、下右図のように力率が改善される。


左図:コンデンサの並列接続 右図:コンデンサによる力率改善
進相コンデンサを設置する目的とメリット

進相コンデンサを設置する主な目的は
力率を改善することであり、これにより様々なメリットが得られる。
メリット
- 電気料金の割引
多くの電力会社では、契約電力量に応じて基本料金が設定されており
力率が一定以上(例えば85%)改善されると、基本料金が割引される制度がある。
力率を改善することで、電気料金の削減に直結する。 - 電力設備の有効利用
力率が改善され、流れる電流が減少すると、構内の変圧器や配電線路に余裕が生まれる。
これにより、設備を増設しなくても、負荷の増設が可能になるなど、既存の電力設備を有効に活用できる。 - 電力損失の低減
電線路や変圧器には抵抗があるため、電流が流れると熱として電力が失われる(電力損失)。
力率が改善されて流れる電流が減ると、この電力損失が低減され、電力をより効率的に利用できる。 - 電圧の安定化
電力損失の低減と関連して、電線路での電圧降下も抑制される。
これにより、負荷側の電圧が安定し、電気機器の性能向上や誤動作の防止に繋がる。 - 高調波対策(直列リアクトルとの併用)
工場などで使用されるインバータや整流器などの非線形負荷からは
高調波という歪んだ電流が発生することがある。
進相コンデンサ単体では、高調波によって回路が共振し、コンデンサが損傷したり
他の機器に悪影響を与えたりする可能性がある。
そのため、一般的には直列リアクトルを進相コンデンサと組み合わせて設置し
高調波の抑制や突入電流の抑制を行う。
デメリット
- 過剰な力率進み
軽負荷時(例えば昼休みや夜間など、工場の稼働が少ない時間帯)に進相コンデンサを接続したままだと
負荷の遅れ無効電力よりも進相コンデンサの進み無効電力が大きくなり
力率が過剰に進んでしまう(進み力率になる)ことがある。
これにより、電力系統の電圧が上昇する「フェランチ効果」が発生し
機器の損傷や保護継電器の誤動作を引き起こす可能性がある。
そのため、負荷変動に応じてコンデンサの容量を切り替える
または自動力率調整装置(APFC)を導入するなどの対策が必要となる。 - 高調波との共振
高調波電流が多い環境では、進相コンデンサと系統インピーダンスが共振することで
過電流や過電圧が発生し、コンデンサや他の機器に損傷を与える可能性がある。
このため、直列リアクトルの設置が推奨される。 - 設備費用とメンテナンス
進相コンデンサ設備の導入には初期費用がかかる。
また、定期的な点検や保守が必要であり、故障した場合は交換が必要。 - 寿命
コンデンサは消耗品であり、使用環境や運転時間によって寿命があり
適切な時期に交換する必要がある。
高圧進相コンデンサの投入時の注意点

突入電流について
コンデンサ投入時には高周波の過渡的な充電電流が流れる。
変圧器の励磁突入電流に比べて時定数が極めて小さいのですぐに減衰するが
投入瞬時には非常に大きな電流が流れる。
突入電流の最大値 Ip [A] は、次式で求められる。

Ic:コンデンサの定格電流(ピーク値)
Xc :コンデンサの基本波リアクタンス
XL :系統の基本波リアクタンス
コンデンサの容量を Q [kvar]
電源の短絡容量を S [kVA]
とすると、上の式は次で表すことができる。

計算例
短絡容量 100 [MVA}の場所に 100 [kvar]のコンデンサを設置した場合の突入電流は

となり、定格電流の 30 倍以上の電流が流れることになる。
大きい突入電流を抑制するためには、一般に直列リアクトルを使用する。
上記のコンデンサに 6% の直列リアクトルを付属した場合の突入電流は

となり大幅に小さくなる。
突入電流による影響
①
コンデンサの開閉回数が多いと、開閉器の接触子の異常損耗を生じることがある。
接触子の損耗は、投入時の突入電流波高値が大きいほど
電流の立上がり峻度が急峻なほど大きくなるといわれている。
この接触子面の荒れは、遮断性能に悪影響を及ぼし、再点弧の発生や遮断不能
あるいは開閉器自身の破損に至ることもある
→突入電流の大きさを把握した上で開閉器の機種を選定する必要がある。
②
変流器の二次回路に高電圧が発生して、フラッシオーバーあるいは
計器や継電器の焼損に至ることがある。
二次回路に発生する電圧は、変流器二次側のインピーダンスと電流の積で求まるが
高周波によるインピーダンスの増大と突入電流倍数の影響を受け、定常時に比べ非常に高い電圧が誘起される。
③
過大な突入電流によりコンデンサ自体が内部不具合を発生することがある。
主な対策
日常的にコンデンサの開閉を行う場合は突入電流を抑制する必要がある。
突入電流の抑制に最も効果があるのは、直列リアクトルの設置となる。
例えば、6% の直列リアクトルを設置すると、突入電流は約8倍程度
※突入電流により直列リアクトルが磁気飽和し、リアクタンスが低減ずることを考慮した値
周波数は4倍程 度に低下する。
コンデンサを自動制御するような設備では、直列リアトルの設置は特に重要となる。
高圧進相コンデンサの開放時の注意点

回復電圧
コンデンサの端子電圧は電流より90°遅れているため、回路の電流遮断時には
下記図に示すように電圧ピークの残留電圧が残る。
遮断後0.5サイクルを経過すると開閉器の極間の電圧(回復電圧)は電源電圧の約2倍の高い値になる。

図:コンデンサ開放時の回復電圧
開閉器の極間に現われる回復電圧が、極間の絶縁回復特性よりも大きい場合には
開閉器の極間は再びアーク閃絡を起こし、いわゆる再点弧現象となる。
再点弧を引き起こすと、コンデンサに加わる過電圧は定常電圧の約3倍となり
大きな再点弧突入電流が流れる。
これは、コンデンサに大きなダメージを与えるだけでなく、母線にも同じ過電圧が加わるので
再点弧は避ける必要がある。
そのためには、進相電流遮断能力のある開閉器(極間絶縁回復特性の優れた開閉器)を使用する必要がある。
コンデンサ用の開閉器としては真空開閉器やガス開閉器などがある。
負荷開閉器(LBS)や高圧カットアウト(PC)は、多頻度開閉には適さないので
コンデンサの日常の開閉器としては使用すべきではない。
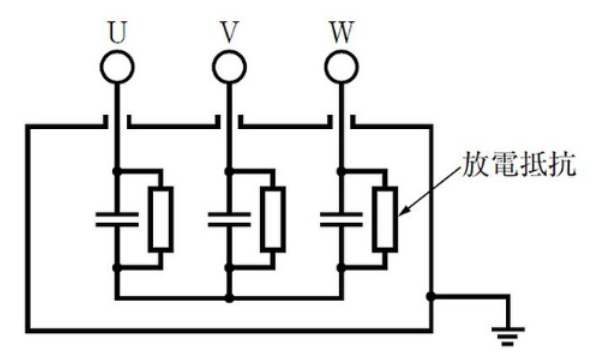
残留電荷の放電
コンデンサを閉路後には残留電荷による残留電圧があるため、これを放電しなければならない。
コンデンサには一般に、下記図のように放電抵抗が内蔵されており
コンデンサを開路すると、この放電抵抗により残留電荷が放電される。

図:放電抵抗内蔵コンデンサ
しかし放電抵抗の放電性能は、開路後コンデンサの端子電圧を5分間で50V以下に低減できることと規定されており
放電にかなり長い時間を要する。
このため、開路後に短時間でコンデンサを再投入すると残留電圧のために異常に大きな過渡過電圧を
発生してコンデンサに大きなダメージを与えることがある。
自動力率制御などで短時間にコンデンサを再投入する必要がある場合には
放電抵抗ではなく放電コイルを使用する。
放電コイルは、5秒間で開路後のコンデンサ端子電圧を50V以下にできる。
※放電コイルは下記図のように直列リアクトルの電源側に接続する。
これは、直列リアクトルによる過電圧を避けるためとなる。

図:放電コイルの設置図
参考資料
新電気2019年 12月号 「現場のギモン 解決塾 第12回 コンデンサの保護で気を付けることは?」
より一部引用

コメント