地絡継電器についての概略
HGR(High Grand Relay)
保護目的:漏電・波及(もらい)事故の相互防止

形式及び定格仕様

定格
形 番 : 098PGA
引外し方法: : 電流引外し
定格 零相電流 0.2A(MZT形ZCT1次電流)
周波数 50/60HZ共用
制御電圧 AC110V(変動範囲90~120V)
整定 動作値 0.1-0.2-0.4-0.6A(MZT形ZCT1次電流)
動作時間 瞬時―0.2s
表示 電源表示 LED(緑色):制御電源有りにて点灯
接 点 構 成:なし
定格消費VA (VT) (制御回路) 定常時:2VA、 動作時:4VA
特性
動作値特性 動作時間0.2s整定にて各整定値の±10%以内
復帰値特性 動作値の90%以上
動作時間特性 全整定値、I0=整定値の130%、400%を急印

復帰時間特性 全整定値、I0=整定値の130%、400%→0A急変にて500ms以下
慣性特性 動作時間=0.2s、零相電流=0.2A整定で、整定電流値の400%の電流を急激に50ms間通電にて不動作
制御電圧変動特性 AC90V~120Vにて、定格電圧に於ける値に対し、動作値:±10%以内、動作時間:±10%以内

構造


リレー機能
①電圧(VT2次電圧)入力から地絡電圧を導出する定電圧回路を内蔵しているので、特別な制御電源を必要としない。
②高圧需要家内で地絡事故が発生すると事故電流(零相電流–充電電流)は大地を経由して配電線や機器の対地静電容量を通じて流れ、その事故電流はMZT形零相変流器(ZCT)により検出され、2次出力により継電器に供給される。
③この零相電流入力は、フィルター及び増幅回路を通過後、動作値切替回路にて信号の大きさが変換されて、レベル検出回路に入力される。入力された信号が動作レベル以上になった場合に動作タイマーが始動し、動作時間整定値以上継続して信号があれば出力リレーと動作表示器が動作する。
④出力リレー接点により遮断器トリップ信号が送られ、地絡事故点が遮断されることで事故電流が無くなる。
これにより、継電器のレベル検出回路へ入力される信号が、動作レベル未満となると、
復帰時間後に自動復帰する。
動作表示器は、動作表示状態を保持し続けるので、復帰の際は
継電器正面下部の表示復帰レバーを押し上げる必要がある。
動作時 黒色→橙色に変わる
電源表示
定格制御電源印加状態で緑色に点灯する。
この表示は制御電源の有無を確認するものであり
回路上限電圧の動作保証電圧90~120V以外の電圧(最小約50V)でも点灯するが、
動作保証電圧以外での点灯は継電器の動作を保証するものではない。
各整定値整定機能
零相電流I₀、動作時間Tを整定する切替スイッチツマミの切り換わり方向であり
記載してある正面銘板上の数値が、整定値となる。
使用禁止の範囲に整定しますと不要動作の原因となりますので、整定しないこと。
内部接続図

外部接続図例

端子配列



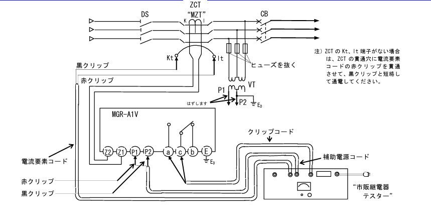
地絡継電器MGR-A1T-の試験方法例
試験条件

各機器の組合せによる試験方法

継電器試験器による試験方法

更新推奨時期について
一般的に製造後、15年を目処に計画的更新が推奨される。
chrome-extension://efaidnbmnnnibpcajpcglclefindmkaj/https://dl.mitsubishielectric.co.jp/dl/fa/members/document/manual/pror/jep0-il1295/mgr-a1_r2.pdf
MGR-A1T-R 取り扱い説明書より引用

コメント