基本的な考え方

日本の低圧系統はTT系統であり
変圧器のB種接地と機器筐体の接地が分離されており、地絡電流は大地を経由する。
このため、漏えい電流が小さくなるので漏電遮断器が必要となる。
また、機器の後地抵抗が大きいと対地電圧が高くなるので、耐電圧の低い機器を用いる場合は注意が必要となる。
漏電遮断器

漏電遮断器(以下、ELCBという)は
JIS C 8201-2-2(2011)で規定されており
感電保護のために漏えい電流で動作する低圧用遮断器である。
回路的には配線用遮断器(以下、MCCBという)に
ZCTを内蔵して漏電遮断機能を持たせたものであり
MCCBとの外形上の違いはテストボタン程度。
ELCBには
その感度と動作時間により
・高感度形ー高速度形(30mAまたは15mAで0.1秒以内)
・高感度形ー時延形(30mAまたは15mAで0.3秒~0.8秒)
・中感度形ー高速形(100mA、200mA、500mAで0.1秒以内)
等があり各種同路用に使い分けて保護協調をとる。
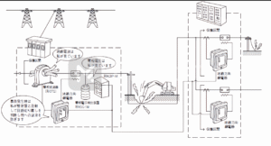
低圧地絡故障時の保護協調

低圧の分岐盤では上記図のように主回路にELCBを使用し
分岐回路にMCCBを使用するのが一般的である。
この場合、ELCBは1つだけなので協調の問題は生じない。
分岐回路にELCBを使用した場合、分岐回路を先に選択遮断をする必要があるので
主回路に高感度形ー時延形のELCBを使用し
分岐回路に高感度形ー高速形のELCBを使用して時限で協調をとる。
また、キュービクル等の幹線用には中感度形-高速形のELCBを使用し
分電盤の主幹路の高感度形-時延形のELCBと検出感度で協調をとる。
不要動作対策

インバータ使用機器は多くの高調波を発生し、この高調波は対地静電容量を通して流れるため
ELCBが不要動作するおそれがある。この場合、ELCBの検出感度を下げて対応する。
最近の電子機器はコンデンサを用いたフィルタが付加されている場合が多く
このコンデンサにより対地静電容量が大きくなると
下記図のように地絡故障が起きた場合、地絡電流が過負荷電流やB種接地を通して隣接変圧器から回り込み
ELCBを不要動作させることがある。
この場合もELCBの検出感度を対地静電容量に見合った値に変更し対応する。

参考資料
新電気 2020年12月号 地絡保護協調より引用




コメント