地絡方向継電器継電器についての概略
地絡方向性継電器(DGR:Directional Ground Relay)は地絡事故が発生した際に
事故発生点が自らの需要家側か他の需要家側かを判別して動作する継電器。
主な役割として
自設備内で発生した地絡事故のみを検出し、遮断する。(選択遮断)
他の健全な回線への影響を最小限に抑え、不要な広範囲の停電を防ぐ。
他の回線で発生した地絡事故による電流が自設備に流れ込んできた場合(もらい事故)
これを検知して不動作とすることで、誤った遮断を防ぐ。
がある。

K2DG-AV1の定格・性能
定格
引きはずし方式: 電圧・無電圧・直流引きはずし
定格制御電源: AC110V
定格負荷: 5VA以下
電源電圧変動範囲: 定格電圧 -20~+10%
定格周波数: 50/60Hz(共用)
周波数変動範囲: 定格周波数の±5%以内
定格零相電流: AC0.2A (零相変流器1次側)
定格零相電圧: AC6.600V/√3 (零相電圧検出装置1次側)
接点容量(警報用接点): AC110V 7.5A cosφ=0.4 1,000回、DC24V 5A L/R=7ms 1,000回
接点容量(トリップ用接点): 閉路 DC110V/15A L/R=0ms 1,000回、DC220V/10A L/R=0ms 1,000回、
開路 DC110V/0.3A L/R=7ms 1,000回、AC220V/1A cosφ=0.1 1,000回
復帰方式: 接点:自動/手動復帰(ディップスイッチ選択) ※1、
動作表示器:手動復帰
電流整定範囲(零相変流器1次側): 0.1-0.2-0.4-0.6-0.8-1.0A(6タップ)
電圧整定範囲 ※2: ロック…2.0-2.5-3.0-4.0-5.0-7.0-7.5-10.0-12.5-15.0%(11タップ)
動作位相整定範囲 ※3: 遅れ20-30-40-50-60°(設定ディップスイッチ選択)
動作時間整定範囲: 瞬時-0.2-0.3-0.4-0.5-0.6-0.7-0.8-0.9-1.0s(10タップ)
準拠規格: JIS C 4609
零相電圧検出装置接続台数: 最大15台(設定ディップスイッチ切替)
※1.手動復帰:電源投入されているときのみ手動復帰、電源断時は強制復帰
※2.ロックに設定した場合、地絡事故発生時だけではなく試験スイッチを操作時も動作しなくなる。

※3.一般的に抵抗接地系は遅れ30°、リアクトル接地系は遅れ60°設定になる。
性能
絶縁抵抗: DC500Vメガにて、電気回路一括と外箱間:100MΩ以上、
電気回路相互間:100MΩ以上、接点回路開極端子間:100MΩ以上
動作電流特性: ±10%以内(形OTGと組合せた場合)
復帰電流特性: 動作値の80%以上
動作電圧特性: ±25%以内(形VOCと組合せた場合)
復帰電圧特性: 動作値の80%以上
位相特性: 遅れ、進みともに±10°以内(1~4台)、±20°以内(5~15台)
動作時間特性: 瞬時設定:400%電流 100ms以下、
0.2s設定:整定電流の130% 0.1~0.3s、
整定電流の400% 0.1~0.2s
その他:400%電流 整定値±10%以内(ただし最小誤差は±50ms)
慣性特性: 最小動作電流/電圧整定かつ0.2s整定において、整定電流値の400%の零相電流と150%の零相電圧を
急激に0.05s間印加したとき不動作
制御電源電圧の影響: 90~120Vの変動で定格電圧での動作電流値に対して
動作電流:±10%以内
動作電圧:±10%以内
動作時間:±10%以内(ただし最小誤差±50ms)
動作位相角:±15°以内
各部名称


動作電流整定: 零相電流(Io)動作値の整定を行う。
動作電圧整定: 零相電圧(Vo)動作値の整定を行う。
動作時間整定: 動作時間の整定を行う。
表示選択: 7セグLEDの表示内容の設定と、事故履歴の表示およびリセット操作を行う。
また試験スイッチを有効にするときにも使用する。

各種表示LED: 運転:内部回路が正常動作時に点灯
電流:動作電流値以上の電流入力があると点灯
電圧:動作電圧値以上の電圧入力があると点灯
7セグLED: 表示選択ツマミで設定された内容を表示。
検査用接点: 警報接点と連動し出力する。
設定ディップスイッチ: 以下の設定を行う。
動作位相角:20-30-40-50-60°、復帰方式:手動/自動、周波数:50/60Hz、複数台接続台数:1~5/6~10/11~15台
動作表示器: 地絡検出時に橙色表示になる。
試験スイッチ: 継電器の強制動作を行う。表示選択で試験SW有効に設定することで使用できる。
復帰レバー(動作ロック): 本体動作と動作表示器を復帰できる。
レバーを押し上げた状態を継続することでトリップ・警報動作がロックされる。
カバーが閉じているときでも操作可能。
操作時の注意点まとめ
計測表示: 零相電流計測表示: 継電器に入力された零相電流を7セグLEDに表示する。
入力零相電流の表示範囲は0.05~1.5A
※0.05Aを下回った場合は、「—」を表示、また1.5Aを超えると
オーバーフロー表示として「FFF」を表示する。
零相電圧計測表示: 継電器に入力された零相電圧を7セグLEDに表示。
零相電圧の表示範囲は1.0~16.0%となる。
1.0%を下回った場合は、7セグLEDに「—」を表示。
16.0%を超えるとオーバーフロー表示として「FFF」を表示。
試験動作: 定格制御電圧印加時に、試験スイッチを押すことにより強制動作させることがで可能。
※試験動作の間は7セグLEDに「8.8.8」を表示
動作表示: 継電器が動作すると動作表示器が動作する。
動作表示器は一旦動作した後は表示を継続する。事故復旧後は復帰レバーを手動操作して復帰
端子配列


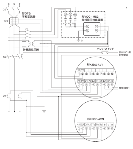
外部接続例

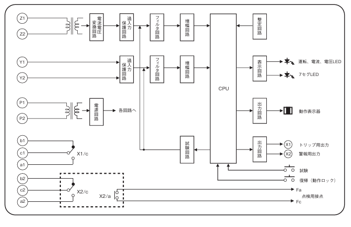
ブロック図

動作位相角と設定ディップスイッチについて
動作位相角について
地絡事故が発生した際の零相電流 (I0) と 零相電圧 (V0) の位相差によって、継電器が動作する角度範囲のこと
K2DG-AV1はディップスイッチに位相角の設定変更が可能となっている

設定ディップスイッチの組み合わせ表

K2DG-AV1の自己診断機能について
K2DG-AV1には自己診断機能を搭載しており、継電器が異常状態のときに7セグLEDにエラーコードが表示される。
「E0」、「E1」が表示された場合
CPU異常またはCPU内蔵メモリ異常が発生している。
この表示が出た場合は継電器の使用を中止し、オムロン営業担当か販売店様へ相談が必要。
「E2」が表示された場合
設定ディップスイッチの設定間違い。
本データシートを確認のうえ再度ディップスイッチの設定
「E3」が表示された場合
内部回路電源に異常が発生している。
この表示が出た場合は継電器の使用を中止し、オムロン営業担当か販売店様へ相談が必要。
「E4」が表示された場合
入力回路に異常が発生している。
この表示が出た場合は継電器の使用を中止し、オムロン営業担当か販売店様へ相談が必要。
「F」が表示された場合
零相電流と零相電圧はDPISWで設定された周波数を基準に実際の各々の周波数と比較をして、『F』の表示をします。DIPSWの設定の確認、実際の周波数に変動がないかの確認が必要。

コメント