過電流継電器についての概略

過電流継電器(OCR: Overcurrent Relay)は、電気回路に過剰な電流が流れた際に
それを検知して回路を保護するための重要な装置。
電線や電気機器の過負荷や短絡事故を未然に防ぎ、設備の焼損や火災などを防ぐ役割を担っている。

K2OC-ACNの定格および性能
定格
引き外し方式:電流引き外し

定格電流:AC5A
制御電源:入力と共用
定格制御電源負担:5VA/相 (動作時 6VA/相)
定格周波数:50/60Hz (ディップスイッチ選択)
周波数変動範囲:定格周波数の±5%以内
接点容量警報用接点: AC110V 7.5A cosφ=0.4 1,000回 / DC24V 5A L/R=7ms 1,000回
トリップ用接点
AC12V 60A 100回
AC20V 100A 2回
復帰方式接点: 自動復帰
動作表示器: 手動復帰
動作電流整定
3.0-3.5-4.0-4.5-5.0-6.0A (6タップ)
瞬時電流整定
ロック-10-15-20-25-30-40-50-60-80A (10タップ)
瞬時3段整定
20-40-60-80% (設定ディップスイッチ切替)
動作時間整定
0.25-0.5-1-1.5-2-2.5-3-3.5-4-5-6-7-8-9-10-20 (16タップ)
準拠規格
JIS C 4602 (2017)
性能
| 絶縁抵抗 | DC500Vメガにて ・電気回路一括と外箱間:100MΩ以上 ・電気回路相互間:100MΩ以上 ・接点回路開極端子間:100MΩ以上 | ||||
|---|---|---|---|---|---|
| 商用周波耐電圧 | ・電気回路一括と外箱間:2,000V/1min ・電気回路相互間:2,000V/1min ・接点回路開極端子間:1,000V/1min | ||||
| 雷インパルス耐電圧 | 雷インパルス波形 標準波形(1.2/50μs) 印加箇所 ・継電器の電気回路一括と外箱間:4.5kV/正負各3回 ・電気回路相互間:4.5kV/正負各3回 | ||||
| 耐電波 | 限時電流整定値の80%の電流を通電した状態で、 150MHz帯、 400MHz帯、 900MHz帯の出力5Wトランシー バーで距離0.5mより継電器の正面へ断続照射し、 誤動作なし | ||||
| 過負荷耐量 | 100A1秒間、1分間隔で2回印加し、機械的、電気的異常のないこと | ||||
| 動作値 | 限時要素:整定値±5% 瞬時要素:整定値±7% | ||||
| 復帰特性 | 限時要素、瞬時要素:整定値の80%以上 | ||||
|---|---|---|---|---|---|
| 動作時間特性 | 限時要素:3A、時間目盛:10整定 ・超反限時特性(EI) 300%:10s±5%、700%:1.67s±7% ・強反限時特性(VI) 300%:6.75s±5%、700%:2.25s±7% ・反限時特性(NI) 300%:6.3s±5%、700%:3.53s±7% ・定限時特性(DT) 300%:2s±5%、700%:2s±7% ・形K2CA-DO特性 300%:10s±5%、700%:1.52s±7% 瞬時要素: ・200%過電流 50ms以下 ・130%過電流 90ms以下 ・70%過電流 300ms以下(瞬時3段ON、整定40%) | ||||
| 慣性特性 | 限時要素を最小動作値とし、動作時間整定10で整定値の1,000%、動作時間の90%入力で検出動作しないこと | ||||

表示
| 表示範囲 | 過電流:2.0~80A、分解能:0.1A(2.0~9.9A)、1A(10~80A) 経過時間:0~100%、分解能:1% | |
|---|---|---|
| 表示精度 | 過電流:±10%rdg±1digit | |
| LED表示 | 電源:内部回路が正常なとき点灯(緑) 始動:入力電流が限時整定電流値を超えたとき点灯(橙) | |
| 7セグ表示(数値表示) | 項目 | 機能 |
| 電流(A) | 入力電流を計測した値を表示 入力値が大きい相電流を表示 | |
| 経過時間(%) | 限時動作整定値を超えて動作に至るまでの経過時間を表示 | |
| 事故履歴(MAX) | 電流計測表示と同じ | |
| 設定値変更表示 | 設定変更した値を3秒間表示 | |
| 動作表示器 | R相、T相:瞬時動作、限時動作時に検出した相の表示器が黒色→橙色に変化 瞬時:瞬時動作時に表示器が黒色→橙色に変化 | |
K2OC-ACNの構造

名称説明
①瞬時電流整定
瞬時動作電流値の整定を行う。
②限時電流整定
限時動作電流値の整定を行う。
③限時時間整定
限時電流動作時間の整定を行う。
④表示選択
7セグLEDの表示内容と動作履歴値の表示の設定および動作履歴値のリセット操作を行う。
⑤各種表示LED
運転:内部回路が正常動作時に点灯
始動:入力電流が限時電流動作整定値を超えた時に点灯
⑥7セグLED表示
選択ツマミで設定された内容を表示する。
⑦点検用接点
警報接点と連動し出力する。
⑧設定ディップスイッチ
以下の設定を行う。
周波数切替:50/60Hz
瞬時特性:2段/3段
瞬時3段点:20-40-60-80%
限時特性:EI-VI-NI-DT-DO
⑨動作表示器
動作時に橙色表示になる。
瞬時、R相、T相の3種類存在する。
⑩限時ロックスイッチ
押下中、限時動作がロックされる。
瞬時動作試験時の限時不要動作を防ぐ。
⑪復帰レバー(動作ロック)
本体動作と表示器を復帰できる。
レバーを押し上げた状態を継続することでトリップ・警報動作がロックされる。
カバーが閉じているときでも操作可能。
K2OC-ACNの操作方法

継電器動作
本継電器はCT2次電流を制御電源とし
電流が印加されることにより内部の電源回路を通して各回路へ電源を供給する。
入力電流は内部の補助CTで電流変換された後、フィルタ回路を通してA/D変換器によりデジタル信号に変換される。 デジタル信号化された電流データはCPUで動作電流整定値と比較演算処理される。
比較演算により電流データが動作電流整定値以上であった場合、CPUはタイマ処理を行い
動作時間整定値以上となった場合に警報接点、トリップ接点、点検用接点および動作表示器を出力する。
計測表示 電流計測表示
継電器に入力されたR相とT相のいずれか大きい方の電流を7セグLEDに表示する。
入力電流の表示範囲は2.0~80A。
継電器への入力電流が2Aを下回った場合については、7セグLEDは消灯となる。
80A以上の場合は『FFF』と表示する。
経過時間表示
継電器は限時動作時に経過時間を7セグLEDに表示する。
その表示範囲は0~100%。
入力電流が動作電流整定値未満の場合は『- -』表示となる。
動作表示
継電器が動作すると動作表示器が動作する。
事故の種別、箇所に応じて瞬時、R相、T相の表示器が動作する。
動作表示器は一旦動作した後は表示を継続するので、事故復旧後は忘れずに復帰レバーを操作して復帰すること。
動作表示器の表示

運転表示
本継電器はCTの2次電流により内部の回路電源を作り出している。
したがって運転表示が点灯するにはCTの2次電流に相当する一定以上の電流入力が必要。
運転表示(緑色のLED)は電流入力がR相、T相のいずれか片方の入力が2A以上で点灯する。
電流域付近では入力電流の変動により運転表示が点灯/消灯を繰り返す場合があるが異常ではない。
また運転表示が消灯時は入力電流そのものが低いため継電器は動作しない。
7セグLEDの表示について
●『F』が表示表示された場合
周波数設定(50/60Hz)で選択した周波数と異なった周波数の電流が入力されている。
使用する系統周波数に合わせて周波数設定を行うこと。
・50Hz整定時 入力が45Hz未満、または55Hzを超えた場合
・60Hz整定時 入力が55Hz未満、または65Hzを超えた場合
•本継電器は50Hz/60Hzの周波数でのみ使用が可能。
•周波数の設定であっても入力が継電器への入力が2A付近の場合
『F』が点滅する場合があるが、これは負荷電流の変動やひずみによるもので機器の異常ではない。
●『FFF』が表示された場合
継電器に80A以上の電流が入力されている。
電流入力が80A未満になれば通常の計測値が表示される。
自己診断機能について
本継電器には自己診断機能が搭載している。
継電器が異常状態のときに7セグLEDにエラーコードが表示される。
『E0』、『E1』が表示された場合
CPU異常またはCPU内蔵メモリ異常が発生している。
この表示が点滅でなく、継続して点灯表示したままの場合は継電器の使用を中止し
メーカーに相談すること。
『E2』が表示された場合
設定ディップスイッチの設定が間違っている可能性。
設定ディップスイッチの確認と再設定を行う。
『E3』が表示された場合
内部回路電源に異常が発生している。 この表示が点滅でなく、継続して点灯表示したままの場合は
メーカーに相談すること。
K2OC-ACNの外部接続図

メータ切換スイッチがない場合は を短絡すること
K2OC-ACNの端子図



配線端子について
端子台のネジサイズはM3.5 端子幅は8mm
推奨圧着端子は下記の通り。

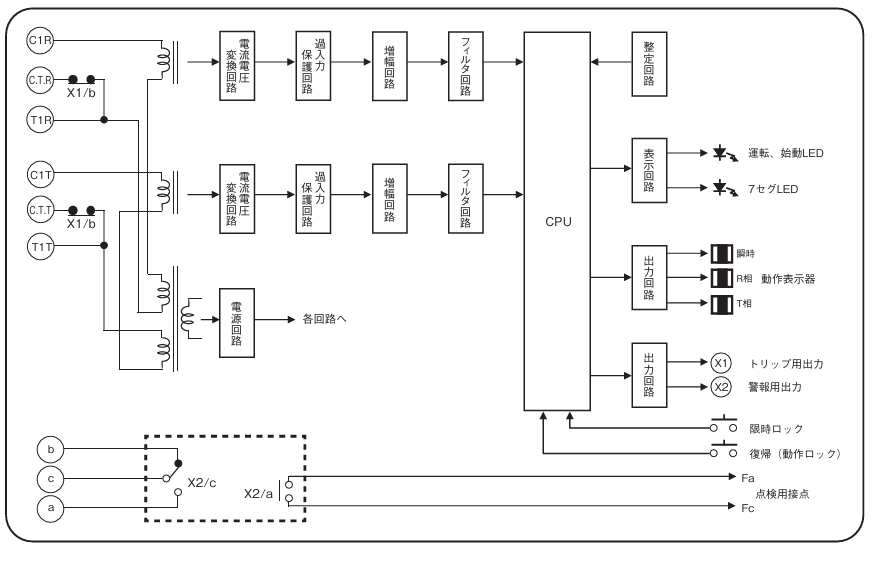
K2OC-ACNの内部ブロック図

K2OC-ACNの試験上の注意
限時ロックについて

限時ロックスイッチを押すと、限時動作をロックする。
(押している間のみ有効。また瞬時要素はロックしない。)
主な使用状況
●時動作電流値を測定するときに限時要素が先に動作するのを防ぎたいとき。
●限時要素の動作時間特性をストップウォッチ等で測定するとき。
限時ロックスイッチを押したまま動作電流を入力し
限時ロックスイッチを解除することで、任意に検出・動作させることができる。
限時ロックスイッチを押したまま過電流を連続して長時間通電すると
内部回路を焼損する恐れがあるので、作業は手早く行うこと。
K2OC-ACNの試験方法
動作電流試験配線図

動作時間試験配線図 (R相動作電流測定の場合)
警報接点を使用した場合の試験方法

K2OC-ACNは前面に点検用接点が付属されているので、そちらを使用すれば作業の短縮につながる。
判定基準

限時動作電流
電流整定値:全整定 (3A, 3.5A, 4A, 4.5A, 5A, 6A)
試験方法:試験電流を徐々に増加させ、始動LEDが点灯した際の電流値を測定する。
判定基準:整定値の±10%
瞬時動作電流
電流整定値:全整定 (10A, 15A, 20A, 25A, 30A, 40A, 50A, 60A, 80A)
試験方法:形K20C, K2CAの瞬時ロックスイッチを押しながら試験電流を迅速に増加させ
動作表示器が点灯した時の電流値を測定する。
判定基準:整定値の±15%
限時動作時間
限時電流整定値: 3A
限時動作時間整定値: 10秒
試験方法:300%, 700%試験電流を急激に加えた際の動作時間を測定する。
判定基準:使用する継電器の設定した特性によって判定基準が異なる(下記参照)

瞬時動作時間
瞬時動作電流整定値: 10A
試験方法:200%試験電流を急激に加えた際の動作時間を測定する。
判定基準:50ms以下
各限時特性の判定基準(参考値)
超反限時特性

強反限時特性

反限時特性

参考資料
https://www.fa.omron.co.jp/products/family/3660/download/catalog.html
omuron ホームページ
Home>商品情報> 商品カテゴリ> 電源/周辺機器他> 電力・機器用保護機器> 高圧受電設備用>過電流継電器> K2OC より一部引用
chrome-extension://efaidnbmnnnibpcajpcglclefindmkaj/https://www.fa.omron.co.jp/data_pdf/cat/k2oc_ds_j_2_3.pdf?id=3660
デジタル形過電流継電器K2OC より一部引用
chrome-extension://efaidnbmnnnibpcajpcglclefindmkaj/https://www.fa.omron.co.jp/data_pdf/commentary/protectiverelays_tg_j_1_1.pdf
オムロン 保護継電器 技術解説 より一部画像引用

コメント